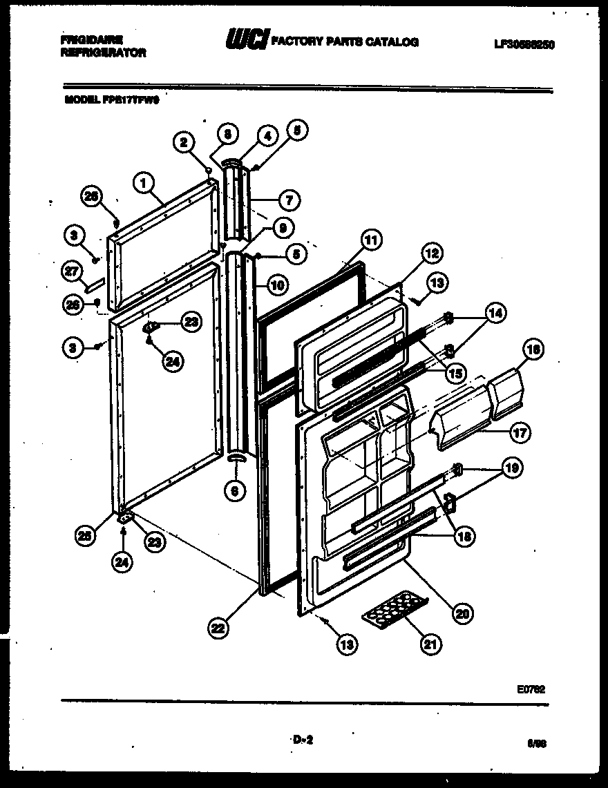
FPE17TFF0 02 – DOOR PARTSadmin2025-04-26T08:34:45+00:00FPE17TFF0 02 – DOOR PARTS ProductsPositionProduct1WCI 80128372BTN, PLUG, COFE3BTN, PLUG, COFE4END CAP-TOP (2)5SCREW-HANDLE MOUNTING (4)6END CAP-BOTTOM (2)7WCI 80102327AWCI 80136368WCI 30171909WCI 801749710WCI 801023311WCI 300130412WCI 301886513SCREW-PANEL MOUNTING (56)145303323481 Frigidaire Refrigerator Left Hand Door Bar End Cap14A5303323480 Frigidaire Refrigerator Door Bar End Cap Rh15WCI 301886616WCI 301886717WCI 301886818215516220 Frigidaire Refrigerator Door Rack195303325990 Frigidaire Refrigerator Door Bar End Cap19A5303325991 Frigidaire Refrigerator Door Bar Endcap20WCI 301887121215817806 Frigidaire Refrigerator Egg Tray22218730603 Frigidaire Door Gasket23WCI 800025524WCI 801174525WCI 801284126HINGE BEARING (8)27WCI 3018632