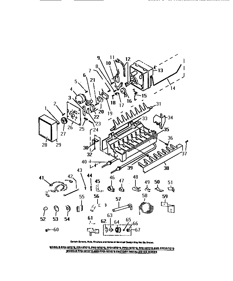
FPE18TCL0 18 – IK-4 AUTOMATIC ICE MAKERadmin2025-04-26T08:34:37+00:00FPE18TCL0 18 – IK-4 AUTOMATIC ICE MAKER ProductsPositionProduct1WCI 80011822SCREW (3)3PLATE-VALVE SW.4WCI 80012445WCI 80011566WCI 80012477WCI 80011488WCI 80012559SCREW 4-24 X 3/410ARM-LEVER12WCI 801455313WCI 800123514ARM-SHUT OFF15SPRING-SHUT OFF16WCI 800125017WCI 800123620SPACER-HOLD. SW.21SCREW 4-40 X 3/4 (2)22SWITCH-SHUT OFF23WCI 800124124SCREW 8-32 X 125WCI 800125126WCI 800123927WCI 800124828WCI 800525129WCI 800021430WCI 800124631WCI 800125333WCI 800023634BEARING & INLET35WCI 800125436WCI 800528837SCREW38STRIPPER-ICE39EYELET (2)40WCI 800124341WCI 895013842SEALING STRIP-BULK43SCREW-BRACKET MOUNTING (4) (NON-ILLUSTRATED)44WCI 800272845CLAMP-CABLE (3)46WCI 800013347WCI 800022148WCI 800956149WCI 800025050CLIP-TUBE51WCI 800020152NUT 7/16-20 NYLON53WCI 800024054WCI 800024155PLUG-ADAPTER56TUBE-FILLER57TUBE-INLET58WCI 801036659BRACKET-WATER VALVE60WCI 801033561VALVE-WATER62WCI 800114363WCI 112198064WCI 112198565WCI 11462866WCI 11462767WCI 8000205