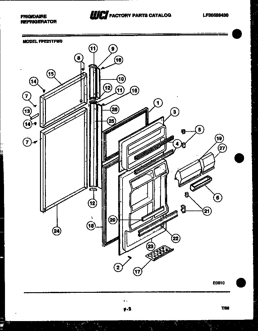
FPE21TFA0 02 – DOOR PARTSadmin2025-04-26T08:38:10+00:00FPE21TFA0 02 – DOOR PARTS ProductsPositionProduct*16122SNUGGER FINGER (NON-ILLUSTRATED)1WCI 30182392SCREW-PANEL MOUNTING (56)3WCI 30190304WCI 30174195A5303323481 Frigidaire Refrigerator Left Hand Door Bar End Cap55303323480 Frigidaire Refrigerator Door Bar End Cap Rh6WCI 30189737PLUG-HANDLE-AVOCADO8PLUG-HINGE-AVOCADO9WCI 801749310WCI 801023411END CAP-TOP (2)12END CAP-BOTTOM (2)13WCI 301863214HINGE BEARING (8)15WCI 801366716SCREW-HANDLE MOUNTING (4)17215817806 Frigidaire Refrigerator Egg Tray18WCI 301823819WCI 3018868215303325991 Frigidaire Refrigerator Door Bar Endcap21A5303325990 Frigidaire Refrigerator Door Bar End Cap22215516220 Frigidaire Refrigerator Door Rack23AINSULATION-BULK23WCI 320059624WCI 801001925WCI 801749726WCI 801023327DOOR-DAIRY