FPE21TFA2 03 – CABINET PARTSadmin2025-04-26T08:38:22+00:00FPE21TFA2 03 – CABINET PARTS
Products
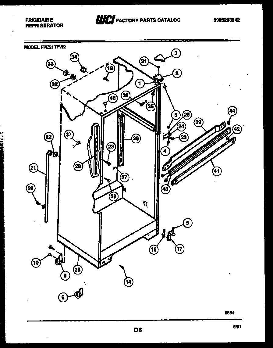
| Position | Product |
|---|
| 1 | SHIM - UPPER HINGE |
| 2 | BRACKET-UPPER HINGE |
| 2A | TAPPING PLATE, UPPER HINGE (2) (NOT ILLUSTRATED) |
| 3 | COVER-HINGE-AVOCADO |
| 4 | WCI 5308000186 |
| 5 | WASHER, .34 X .62 X .05, NYLON |
| 6 | WCI 5303212490 |
| 9 | WCI 5308009773 |
| 10 | BOLT-ROLLER MTG, HEX WASHER HEAD, 1/4-28 X 1/2, (2) |
| 14 | BOLT-ROLLER ADJ, HEX HD, 1/4-28 X 2.750 |
| 16 | WCI 5303212488 |
| 17 | BRACKET-LOWER HINGE, W/ HINGE PIN |
| 17B | TAPPING PLATE, GUSSET, LH (NOT ILLUSTRATED) |
| 17C | 241710601 Frigidaire Refrigerator Screw |
| 17A | TAPPING PLATE, GUSSET, RH (NOT ILLUSTRATED) |
| 18 | SUPPORT-COIL COVER |
| 21 | WCI 5303210377 |
| 22 | WCI 5303207353 |
| 23 | 5304455651 Frigidaire Refrigerator Screw |
| 24 | BRACKET-CTR HINGE |
| 25 | WCI 5308000184 |
| 26 | CHANNEL, RH & LH |
| 27 | 5304455852 Frigidaire Refrigerator Screw |
| 28 | WCI 5303015409 |
| 29 | WCI 5308016568 |
| 32 | WCI 5303001286 |
| 33 | WCI 5303001287 |
| 34 | TUBE-RUBBER |
| 35 | CORNER |
| 36 | 5304509705 Frigidaire Refrigerator Grommet |
| 37 | 5304500407 Frigidaire Refrigerator Shelf Mounting Grommet |
| 38 | WCI 5303212487 |
| 39 | WCI 5308010008 |
| 40 | BUTTON-HINGE-AVOCADO |
| 41 | WCI 5303200367 |
| 42 | WASHER, NO. 10 FLAT, 7/32 X 7/16 OD, STEEL (NI) |
| 43 | WCI 5303210351 |
| 44 | SPACER-MULLION MTG, STEEL |