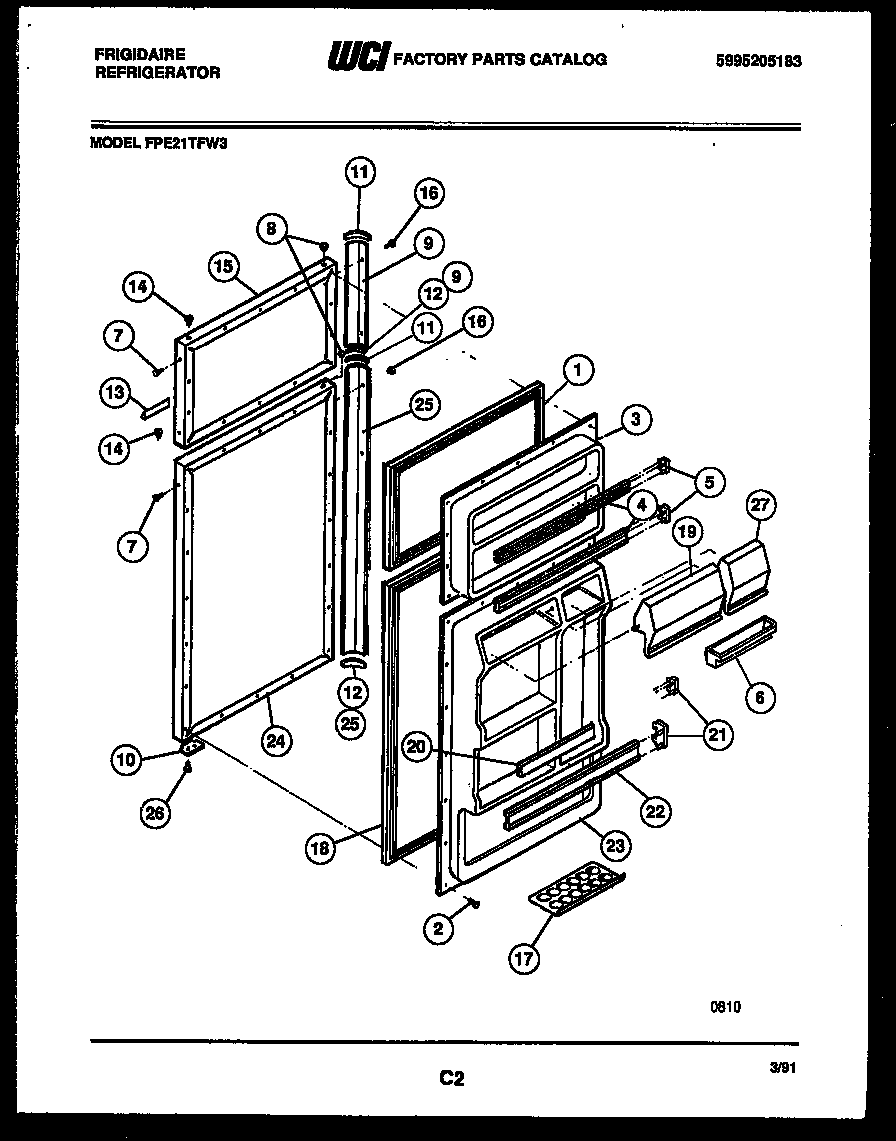
FPE21TFA3 02 – DOOR PARTS