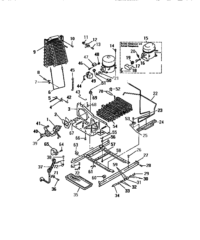
FPE26VWCH0 11 – COMPRESSOR, CONDENSER, EVAPORATORadmin2025-04-26T08:38:22+00:00FPE26VWCH0 11 – COMPRESSOR, CONDENSER, EVAPORATOR ProductsPositionProduct1WCI 80143122WCI 80015103WCI 80013174WCI 80005415WCI 80143156WCI 80015137WCI 80051789WCI 801432611WCI 801069412WCI 800129513WCI 801069514WCI 801429015WCI 800515116WCI 801431417WCI 800652818WCI 800362819WCI 800515220WCI 800363021WCI 800431722LINE, HEAT EXCHANGER23WCI 800113924WCI 801430425WCI 800119626WCI 800116827WCI 800131928WCI 800116031WCI 801069932WCI 801069833WCI 800128834WCI 800143635WCI 800140737WCI 800131138WCI 800651540WCI 80142841WCI 800122343WCI 801070044WCI 994896145WCI 800150746WCI 800059347WCI 801432848WCI 801429149WCI 994896050WCI 994900851WCI 801430352WCI 800122253WCI 800119454WCI 801430255WCI 800122656WCI 801429657WCI 801430159WCI 801070260WCI 800133561WCI 800122762WCI 800117163WCI 800122865WCI 800130966WCI 800112867WCI 659487668WCI 800118469WCI 801431670WCI 800002771WCI 8001229