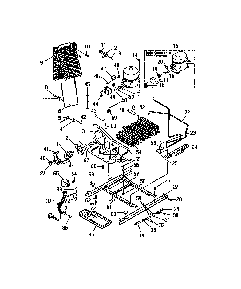
FPE26VWCL0 11 – COMPRESSOR, CONDENSER, EVAPORATOR