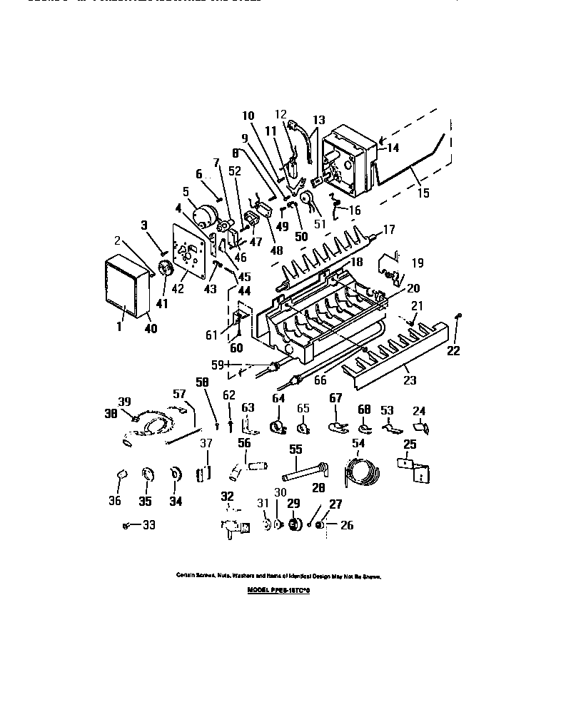
FPES18TCL0 07 – IK-4 AUTOMATIC ICE MAKERadmin2025-04-26T08:38:42+00:00FPES18TCL0 07 – IK-4 AUTOMATIC ICE MAKER ProductsPositionProduct1WCI 80052512WCI 80011823SCREW (3)4PLATE-VALVE SW.5WCI 80012446WCI 80011567WCI 80012478WCI 80011489WCI 800125510SCREW 4-24 X 3/411ARM-LEVER14WCI 800123515ARM-SHUT OFF16SPRING-SHUT OFF17WCI 800125318WCI 800023619BEARING & INLET20WCI 800125421WCI 800528823STRIPPER-ICE24WCI 800020125BRACKET-WATER VALVE26WCI 800020527WCI 11462728WCI 11462829WCI 112198530WCI 112198031WCI 800114332VALVE-WATER33WCI 801033534WCI 800024135WCI 800024036NUT 7/16-20 NYLON37PLUG-ADAPTER38WCI 801455339WCI 895013840WCI 800021441WCI 800124842WCI 800123943WCI 800125145WCI 800124147SPACER-HOLD. SW.48SWITCH-SHUT OFF49SCREW 8-32 X 150WCI 800123651WCI 800125052SCREW 4-40 X 3/4 (2)53CLIP-TUBE54WCI 801036655TUBE-INLET56TUBE-FILLER57SEALING STRIP-BULK58SCREW-BRACKET MOUNTING (4) (NON-ILLUSTRATED)59WCI 800124360SCREW61WCI 800124662WCI 800272863CLAMP-CABLE (3)64WCI 800013365WCI 800022166EYELET (2)67WCI 800956168WCI 8000250