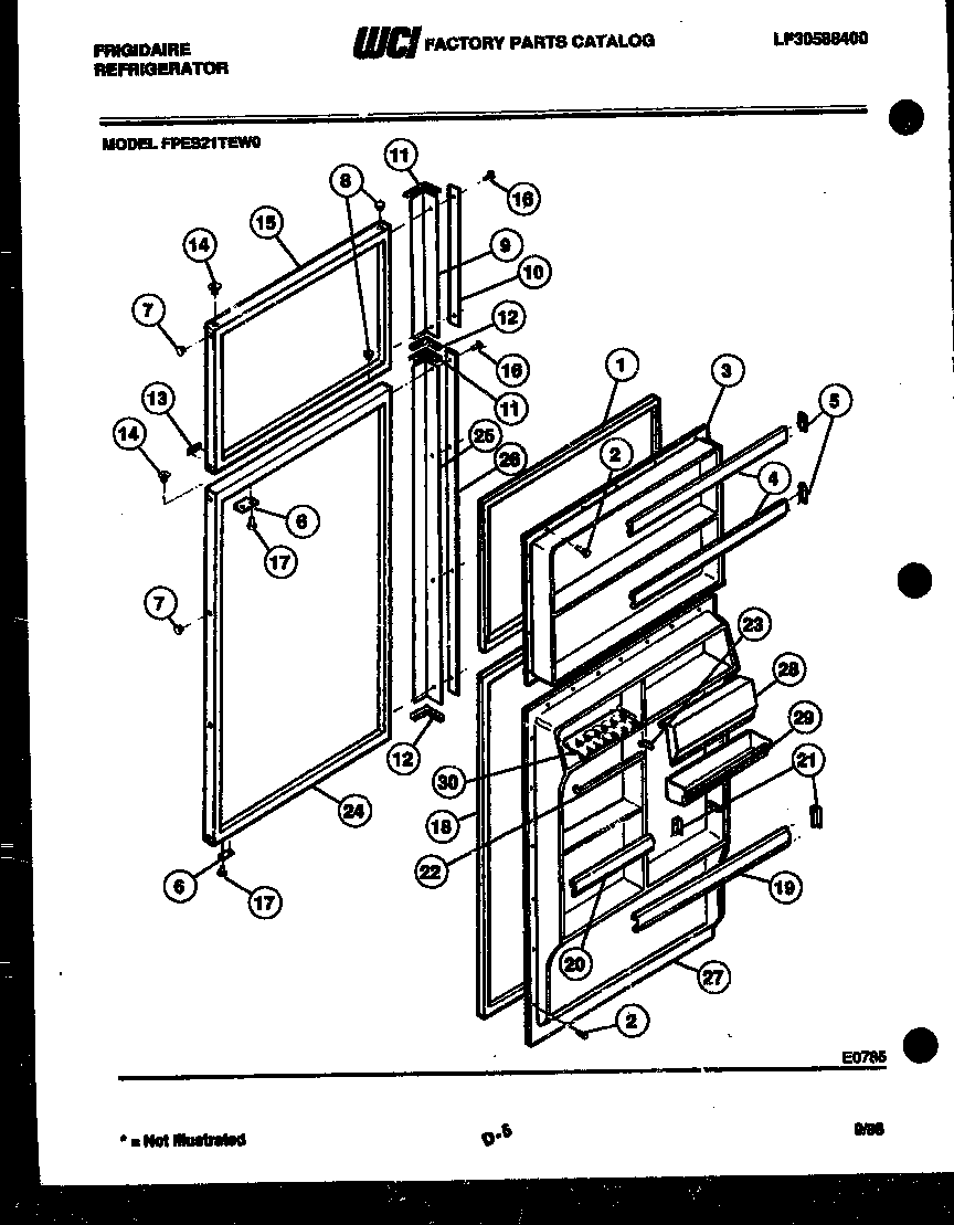
FPES21TEL0 02 – DOOR PARTSadmin2025-04-26T08:38:40+00:00FPES21TEL0 02 – DOOR PARTS ProductsPositionProduct1WCI 80166172SCREW-PANEL MOUNTING (56)3WCI 80136724DOOR RACK-TOP5A5303323481 Frigidaire Refrigerator Left Hand Door Bar End Cap55303323480 Frigidaire Refrigerator Door Bar End Cap Rh6WCI 80002557PLUG-HANDLE, ALMOND8PLUG-HINGE, ALMOND9WCI 800988210WCI 801023411END CAP-TOP (2)12END CAP-BOTTOM (2)13WCI 391612713AWCI 320052114HINGE BEARING (8)15WCI 801367016SCREW-HANDLE MOUNTING (4)17WCI 801174518WCI 801554419WCI 801365720215516220 Frigidaire Refrigerator Door Rack21ASUPPORT-RACK LS (2) (NON-ILLUSTRATED)21SUPPORT-RACK RS (2)22WCI 320052423ASUPPORT-RACK LS (NON-ILLUSTRATED)23SUPPORT-RACK RS24WCI 800993025HANDLE ASSY W/ CAP & TRIM26WCI 801023327WCI 801367328DAIRY DOOR29UTILITY BIN30EGG TRAY