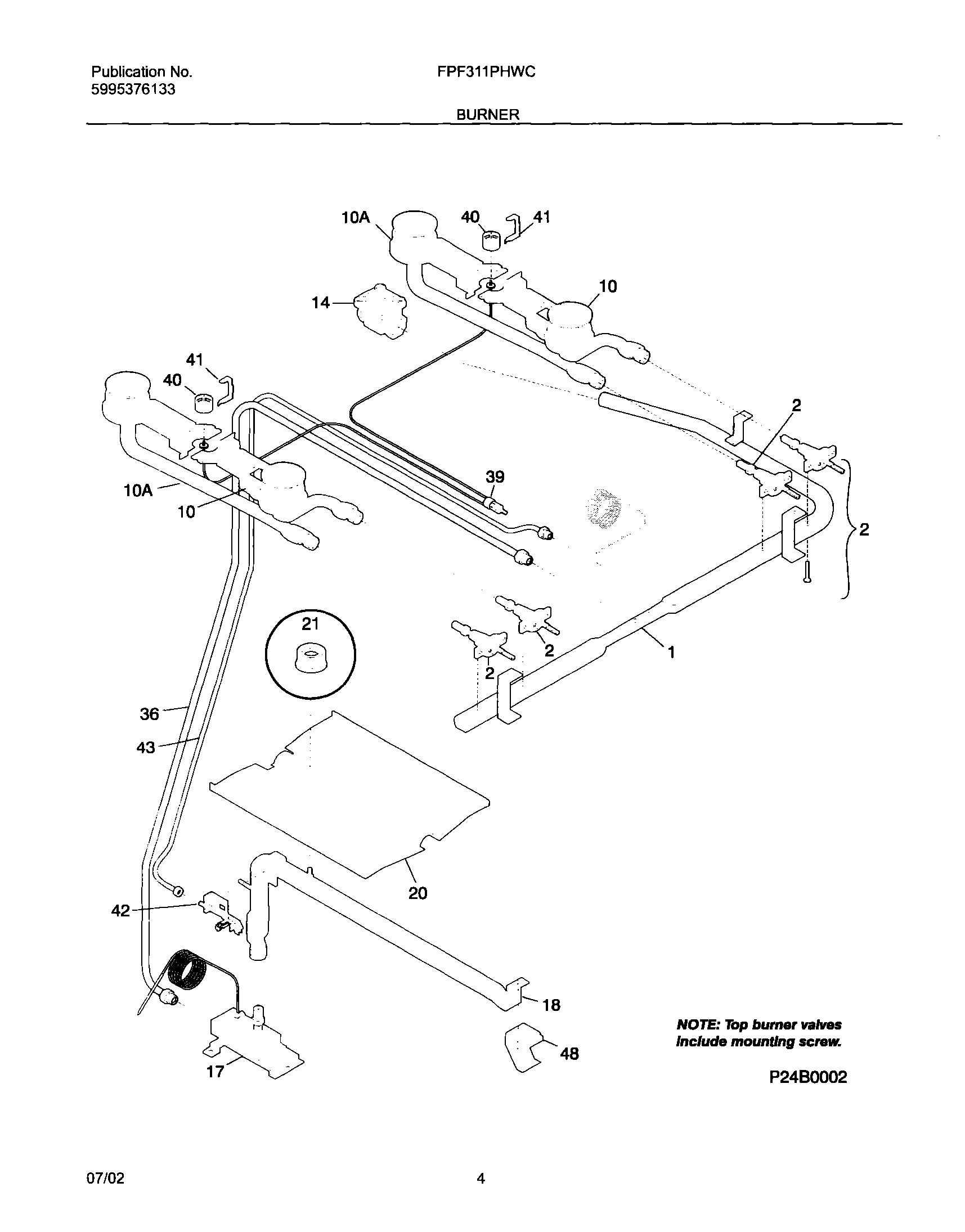
FPF311PHWC 05 – BURNER