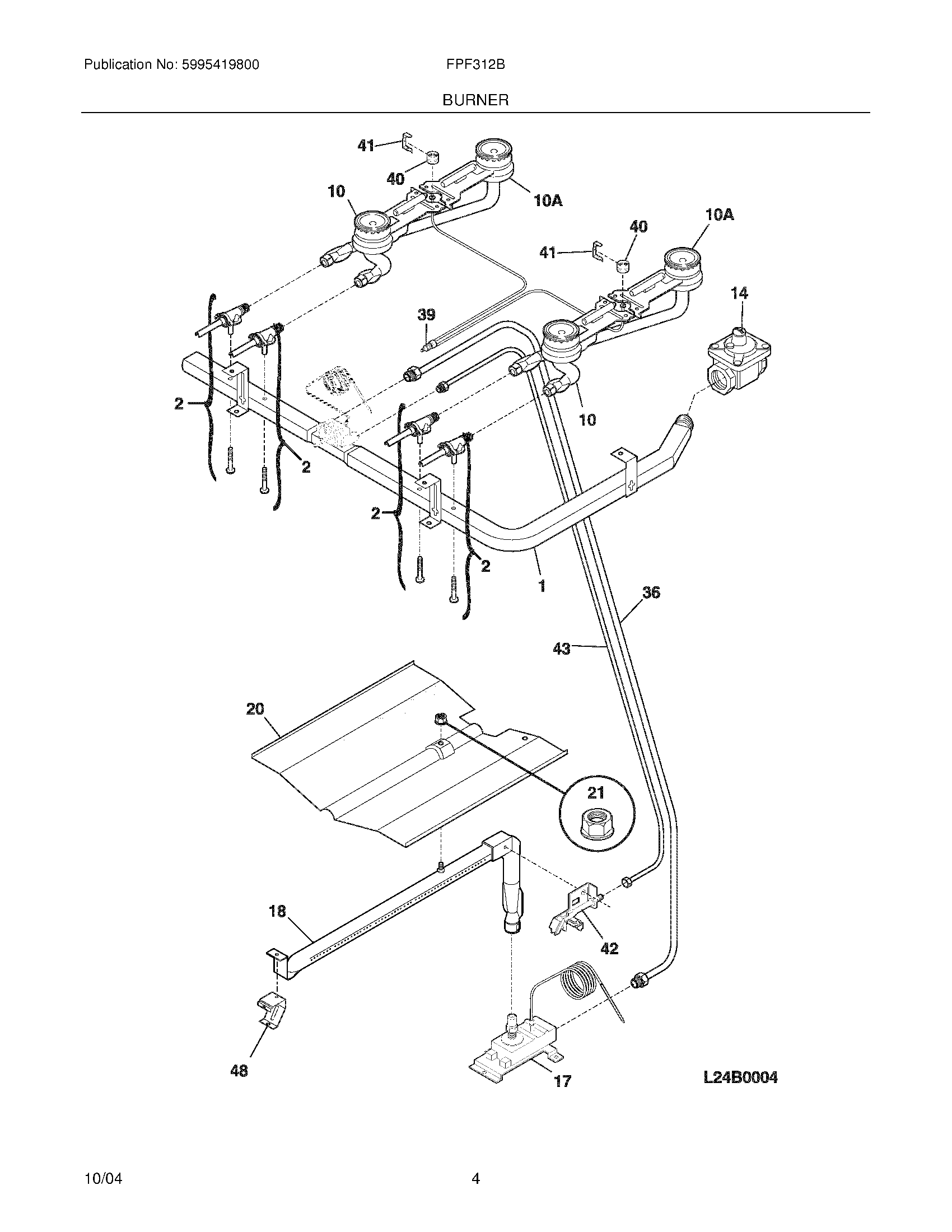
FPF312BSD 05 – BURNER