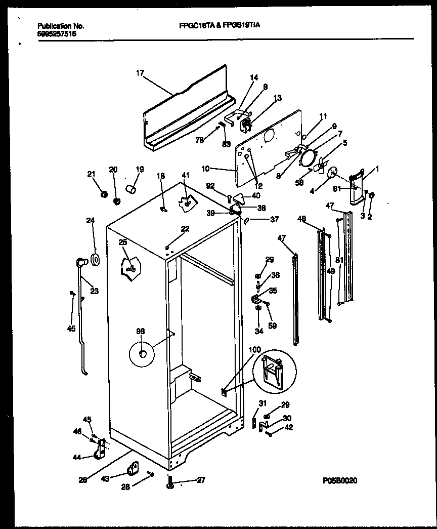
FPGC18TAL2 04 – CABINET PARTSadmin2025-04-26T08:38:34+00:00FPGC18TAL2 04 – CABINET PARTS
Products
| Position | Product |
|---|
| *10941 | PLUG, BUTTON, CABINET LINER (NI) |
| *10941 | TOUCH, UP PAINT, ALMOND (NI) |
| 44 | WCI 5308009773 |
| 45 | 5304455651 Frigidaire Refrigerator Screw |
| 46 | BOLT-ROLLER MTG, HEX WASHER HEAD, 1/4-28 X 1/2, (2) |
| 47 | WCI 215789000 |
| 48 | WCI 5303292395 |
| 49 | SCREW, HEX WASHER HEAD, 8-18AB X 1-1/2 |
| 59 | 240442708 Frigidaire Refrigerator Screw-#10-32 X 3/4 |
| 81 | 5304455650 Frigidaire Refrigerator Screw |
| 83 | WCI 5308000107 |
| 92 | 241710601 Frigidaire Refrigerator Screw |
| 98 | PLUG-BUTTON, ALMOND, CTR HINGE HOLE |
| 100 | SUPPORT-PAN COVER |