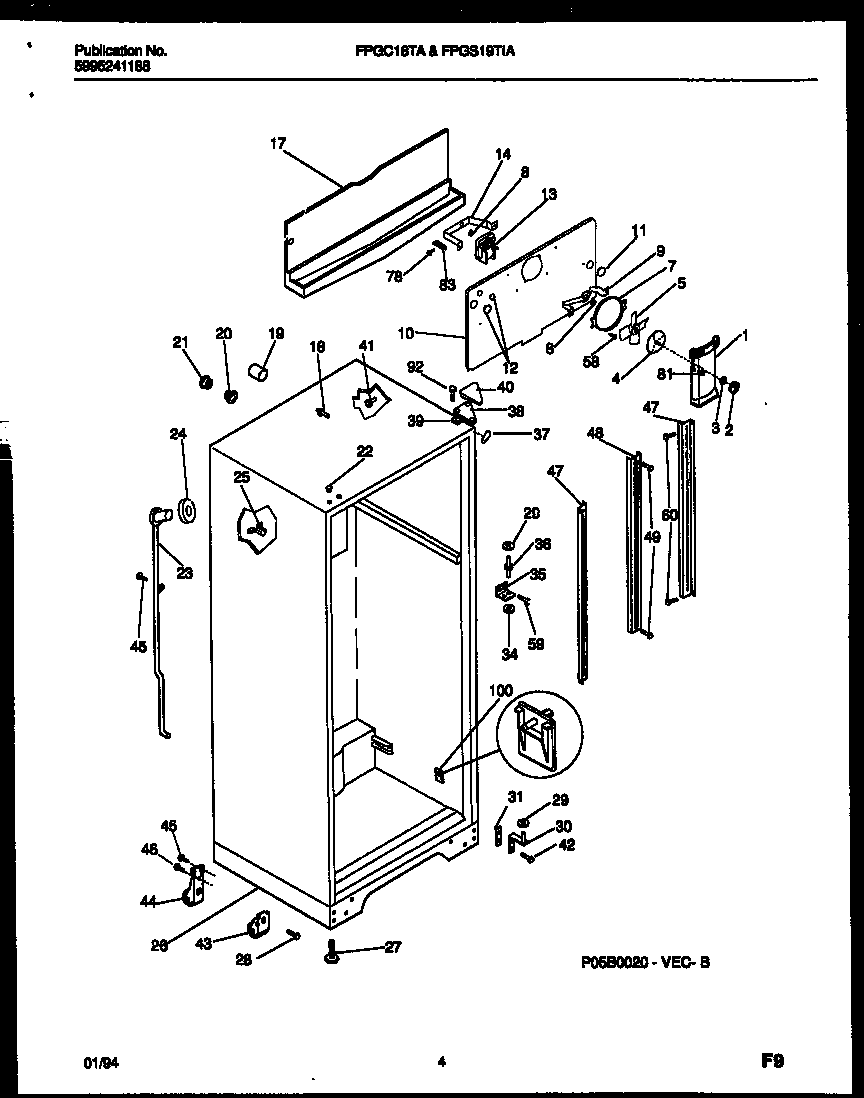
FPGS19TIAL0 03 – CABINET PARTS