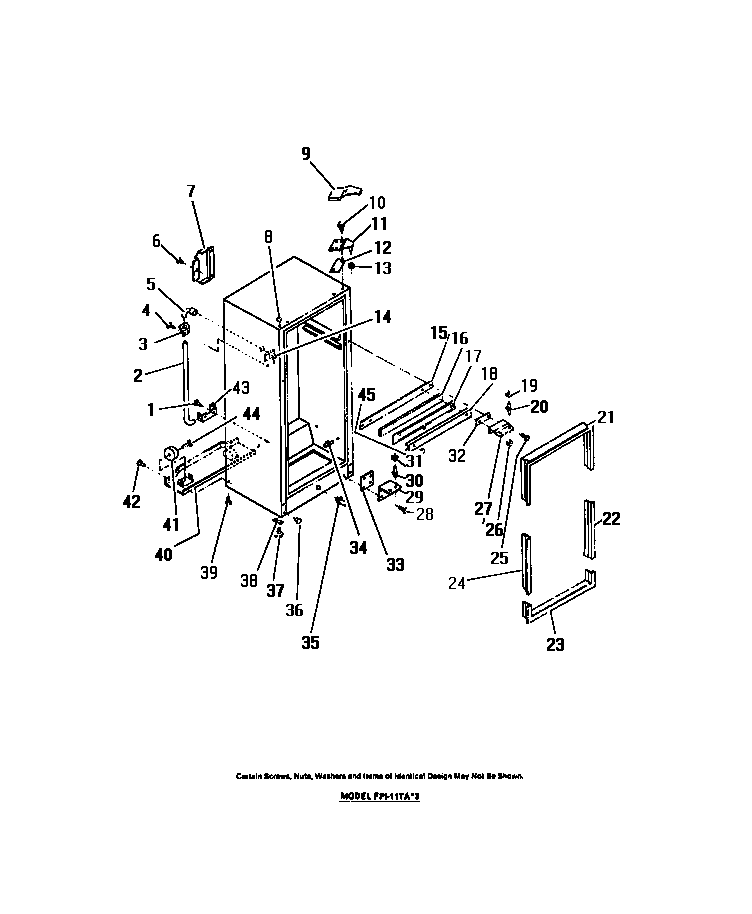
FPI11TAW3 02 – CABINETadmin2025-04-26T08:35:54+00:00FPI11TAW3 02 – CABINET ProductsPositionProduct2WCI 80165293RETAINER5WCI 80111167WCI 80111849WCI 801653110SCREW-HINGE MOUNTING (2)11WCI 801653012SHIM-TOP HNG14SPOUT-DRAIN15WCI 801121116WCI 801119217HEATER-MULLION18WCI 801121220WCI 800018421WCI 801122522WCI 801122823MOULDING-BTM24MLDG W/O HOLE-LS25WCI 800012726WCI 801115127HINGE BRKT - CTR28SCREW-SEMS (3)29HINGE BRKT-BTM30PIN-LOWER HINGE31WCI 801115232SHIM-CTR HNG33SHIM-BTM HNG34SUPPORT (4)35WCI 801116236PLUG BUTTONS W (2)37SCREW-LEVLNG (2)38TEE NUT (2)40WCI 801287141ROLLER-REAR (2)42SCREW-MTG. (10)43TRAP BRACKET44PIN-ROLLER (2)45AWCI 801653445WCI 8016533