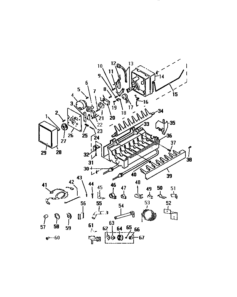
FPI16TCH0 12 – IK-4 AUTOMATIC ICE MAKERadmin2025-04-26T08:35:58+00:00FPI16TCH0 12 – IK-4 AUTOMATIC ICE MAKER ProductsPositionProduct1WCI 80011822SCREW (3)3PLATE-VALVE SW.4WCI 80012445WCI 80011566WCI 80012477SCREW 4-40 X 3/4 (2)8WCI 80011489WCI 800125510SCREW 4-24 X 3/411ARM-LEVER14WCI 800123515ARM-SHUT OFF16SPRING-SHUT OFF17WCI 800125018WCI 800123621SPACER-HOLD. SW.22SWITCH-SHUT OFF23WCI 800124124SCREW 8-32 X 125WCI 800125126WCI 800123927WCI 800124828WCI 800021429WCI 800525130WCI 800124332WCI 800124633WCI 800023634WCI 800125335BEARING & INLET36WCI 800125437WCI 800528838SCREW39STRIPPER-ICE40EYELET (2)41AWCI 801455341WCI 895013842SEALING STRIP-BULK43SCREW-BRACKET MOUNTING (4) (NON-ILLUSTRATED)44WCI 800272845CLAMP-CABLE (3)46WCI 800013347WCI 800022148WCI 800956149WCI 800025050CLIP-TUBE51WCI 800020152BRACKET-WATER VALVE53WCI 801036654TUBE-INLET55TUBE-FILLER56PLUG-ADAPTER57NUT 7/16-20 NYLON58WCI 800024059WCI 80024160WCI 801033561VALVE-WATER62WCI 800114363WCI 112198064WCI 112198565WCI 11462866WCI 11462767WCI 8000205