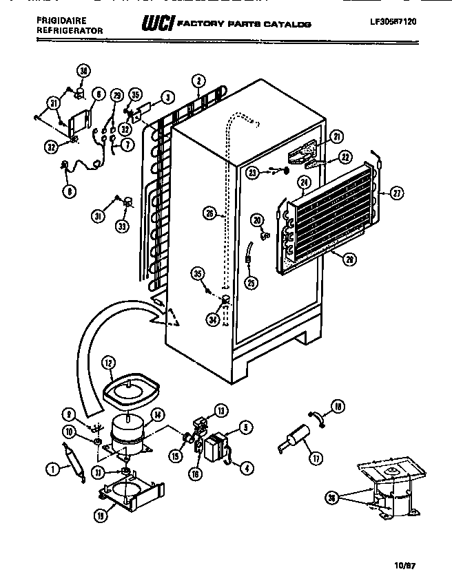
FPI16TEA0 05 – COMPRESSOR, CONDENSER, EVAPORATORadmin2025-04-26T08:36:24+00:00FPI16TEA0 05 – COMPRESSOR, CONDENSER, EVAPORATOR ProductsPositionProduct1WCI 80000272WCI 80092623BRACKET-CONDENSER MOUNTING (4)5WCI 80069826WCI 80136447WCI 80096288WCI 80000649CLIP (4)10WASHER (4)11WCI 800877812DEFROST PAN-SERVICE COMPRESSOR13WCI 801722614WCI 895023315WCI 801757216WCI 800011717WCI 801753618WCI 801723119WCI 801366320WCI 801722721WCI 801364822WCI 801364623WCI 800007324PANEL, INTERIOR FOOD DOOR25WCI 800011026WCI 801027427HEATER-DEFROST28WCI 800963829WCI 800699330WCI 800018731SCREW-PANEL MOUNTING (56)32CLAMP-STRAIN RELIEF (3)33CLAMP-CABLE (3)34WCI 800364335SCREW-BRACKET MOUNTING (4) (NON-ILLUSTRATED)36ASOUND TAPE-PAN (NON-ILLUSTRATED)36WCI 8950024