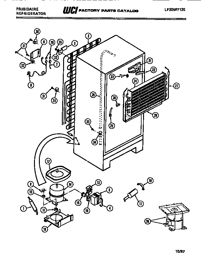
FPI16TEL0 05 – COMPRESSOR, CONDENSER, EVAPORATOR