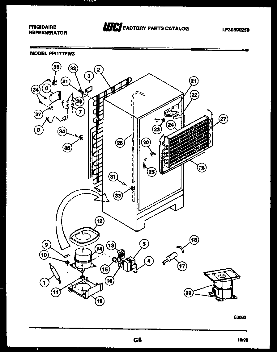
FPI17TFF3 06 – SYSTEM AND AUTOMATIC DEFROST PARTSadmin2025-04-26T08:35:57+00:00FPI17TFF3 06 – SYSTEM AND AUTOMATIC DEFROST PARTS ProductsPositionProduct*36895WCI 0996000115303305677 Frigidaire Replacement Filter Dryer Filters2WCI 080092623WCI 080036004WCI 53032112325WCI 53032092546WCI 080136447WCI 080096288WCI 080000649CLIP (4)10WCI 0800359711218513300 Frigidaire Refrigerator Compressor Mount Grommet12PAN-DEFROST-ORIG COMPRESSOR13RELAY-TL14COMPRESSOR W/ ELEC15WCI 320609616OVERLOAD CLIP17WCI 0801723018STRAP-CAPACITOR MTG19WCI 0801366320WCI 0801722721WCI 0801364822WCI 08013646235303917954 Frigidaire Refrigerator Defrost Limit Thermostat Kit24EVAPORATOR255308000110 Frigidaire Refrigerator Evaporator/Heater Primary Strap26WCI 0801027427WCI 0800975428WCI 0800963829WCI 301890030WCI 08950024315308000039 Frigidaire Refrigerator Screw32WCI 0800961733WCI 08003643345304455651 Frigidaire Refrigerator Screw36WCI 08000187375303001199 Frigidaire Refrigerator Wiring Harness Clamp