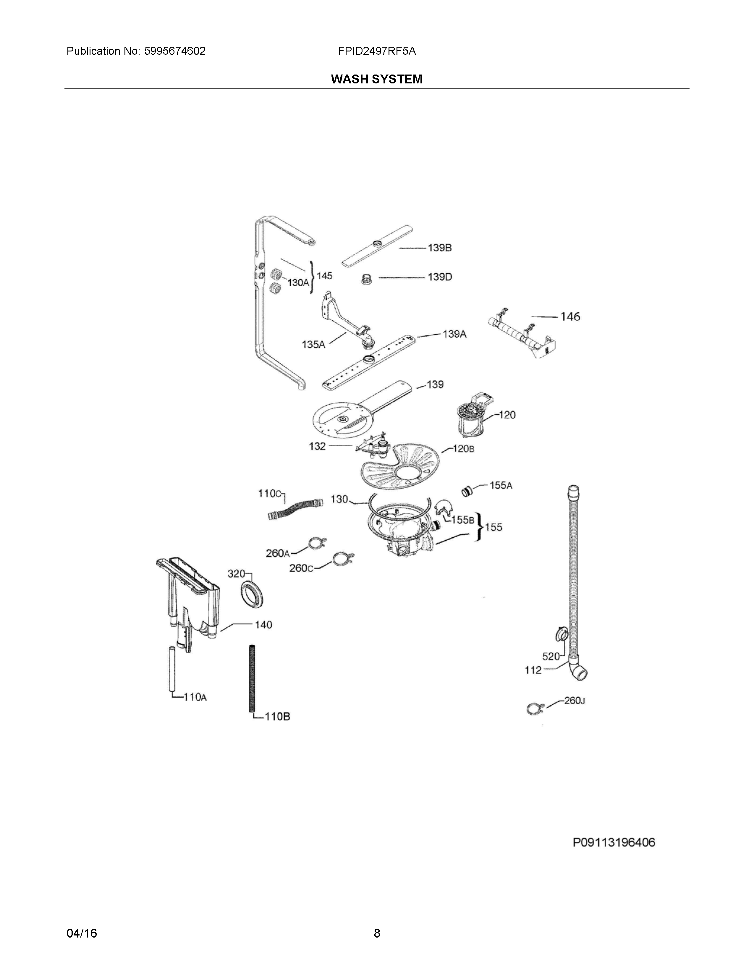
FPID2497RF5A 05 – WASH SYSTEM