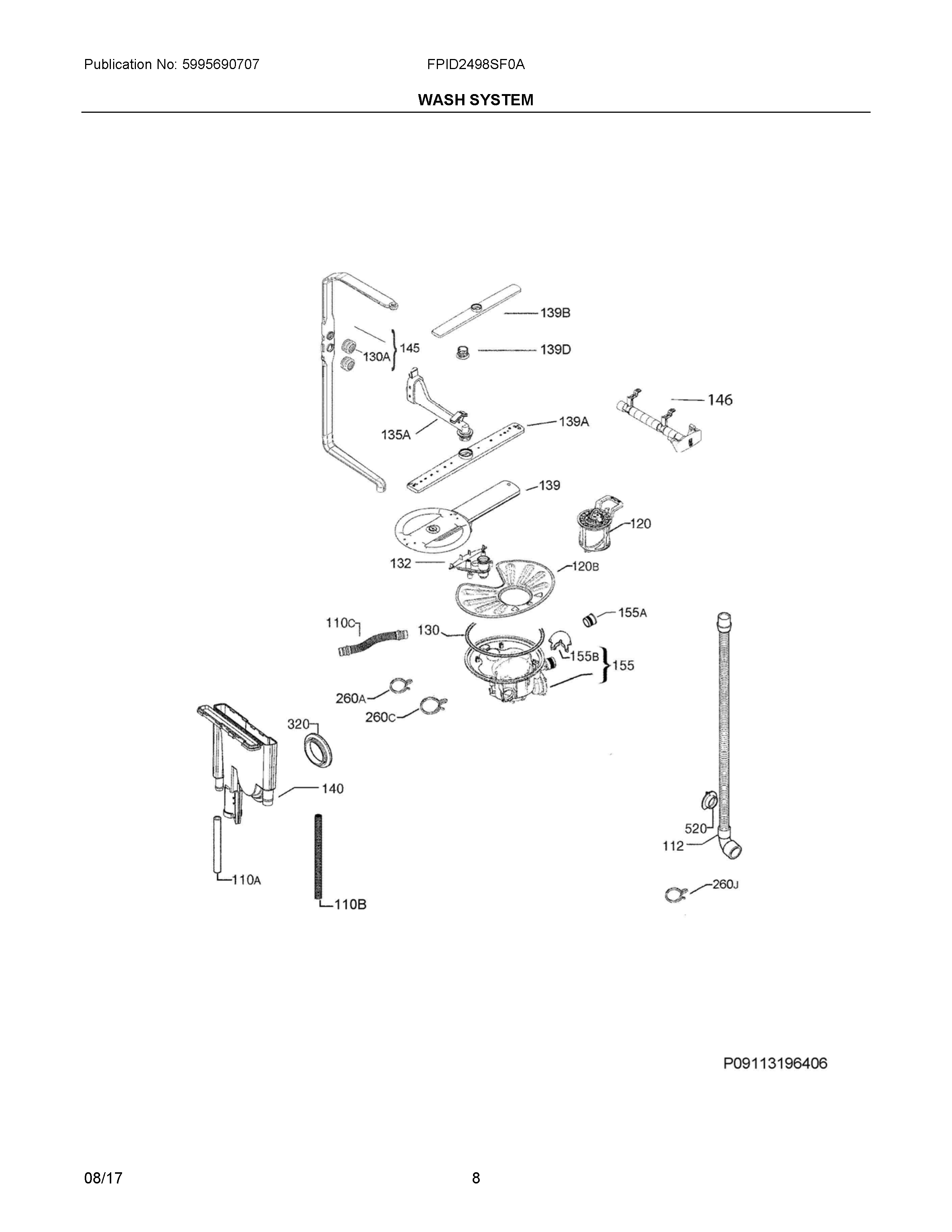
FPID2498SF0A 05 – WASH SYSTEM