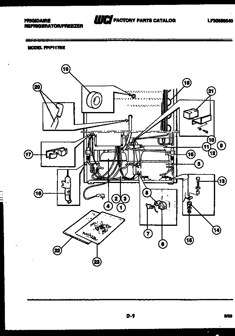
FPIF117BE 08 – SYSTEM AND ELECTRICAL PARTSadmin2025-04-26T08:36:16+00:00FPIF117BE 08 – SYSTEM AND ELECTRICAL PARTS ProductsPositionProduct1WCI 30159132WCI 30159123WCI 30159144WCI 30158575WCI 30158746RELAY7OVERLOAD85304464438 Frigidaire Compressor Run Capacitor9WCI 301586810WCI 301587811WCI 301587012WCI 301586913SPACER SCREW14WCI 301574715NUT NYLOC M616WCI 301593717WCI 301574618WCI 301587719WCI 301591520WCI 301574921WCI 301554922WCI 301593323INSTRUCTIONS-ICE MAKER