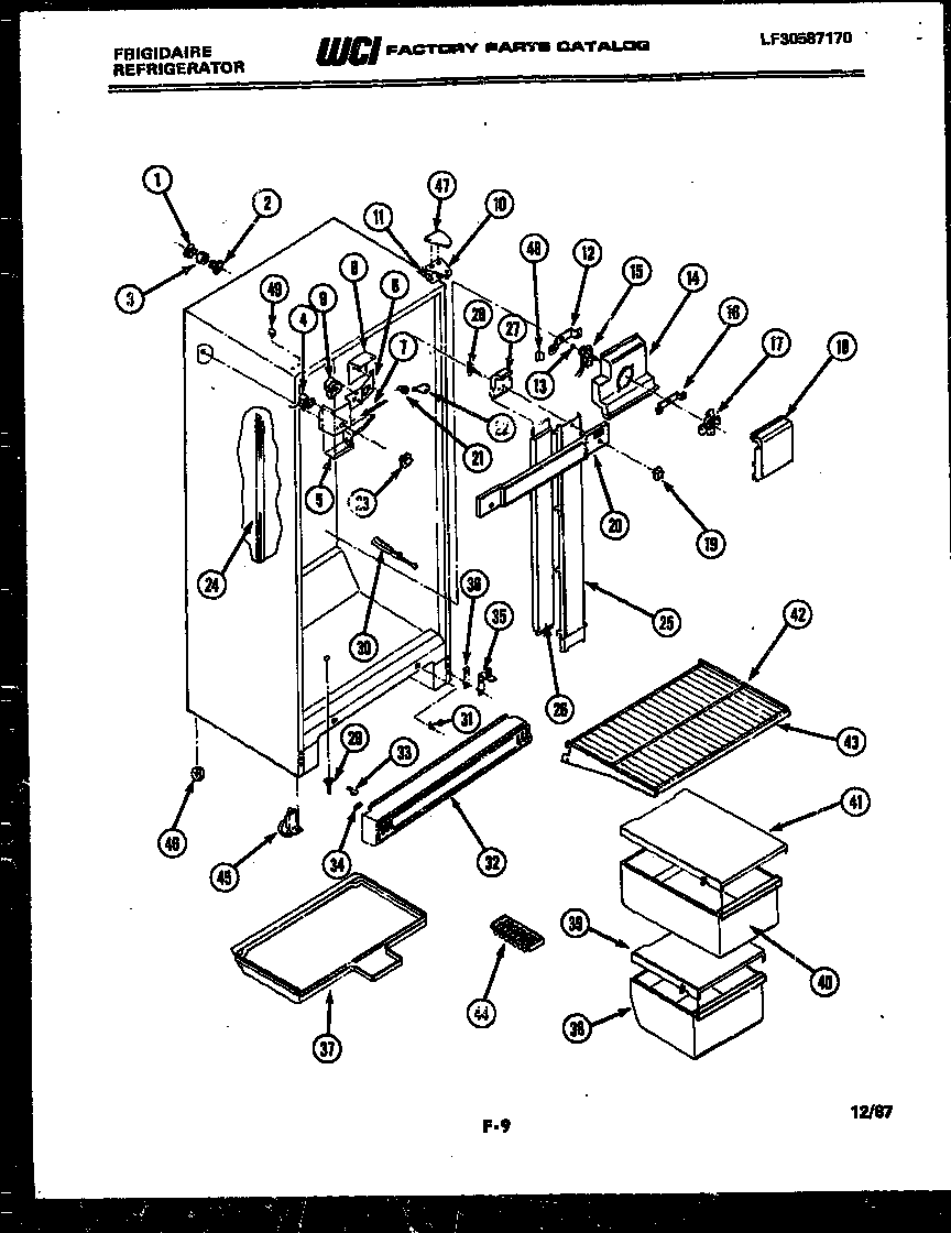
FPIM18MF4 03 – CABINET PARTSadmin2025-04-26T08:36:00+00:00FPIM18MF4 03 – CABINET PARTS ProductsPositionProduct1WCI 80069702WCI 80069713WCI 80000044AHARNESS4BSCREW-CONTROL MOUNTING (2) (NON-ILLUSTRATED)4THERMOSTAT5COVER6AINSULATOR6BRACKET-CONTROLS7WELL8REFLECTOR9BWCI 80000089AWCI 80035819215846604 Frigidaire Refrigerator Defrost Timer10BWCI 800273810ASCREW-HINGE MOUNTING (2)10WCI 801284311WCI 801282912WCI 800004213WCI 800003214HOUSING15WCI 800003616WCI 800004317WCI 800001018COVER19KNOB20SHIELD-LIGHT20ALABEL20BLABEL21WCI 800081522WCI 800080123KNOB24AWCI 800272824WCI 800274425DUCT-AIR26INSULATION27INSULATION28ANUT28DAMPER29TUBE-DRAIN30DAMPER30AWCI 800366531WCI 800072932APRON33WCI 800009134WCI 800016835AWASHER-1/4 NYLON (3)35WCI 800005935CWCI 800001135BSCREW-MTG (2) (NON-ILLUSTRATED)36AWCI 800001336WCI 800008836BWCI 800000137PAN38TRAY-MEATS39WCI 801722140WCI 800962641WCI 801722042SHELF (4)43TRIM (4)44ICE CUBE TRAY (2)45AWCI 801704445WCI 800011846WCI 800026546AWCI 800026646BWCI 800006747COVER, HNG, COFE48WCI 800010748ASCREW-PANEL MOUNTING (56)49CPLATE-TAPPING (2)49APLUG-REFRIGERATOR LINER (2)49BWCI 801657149BTN., PLUG, COFE