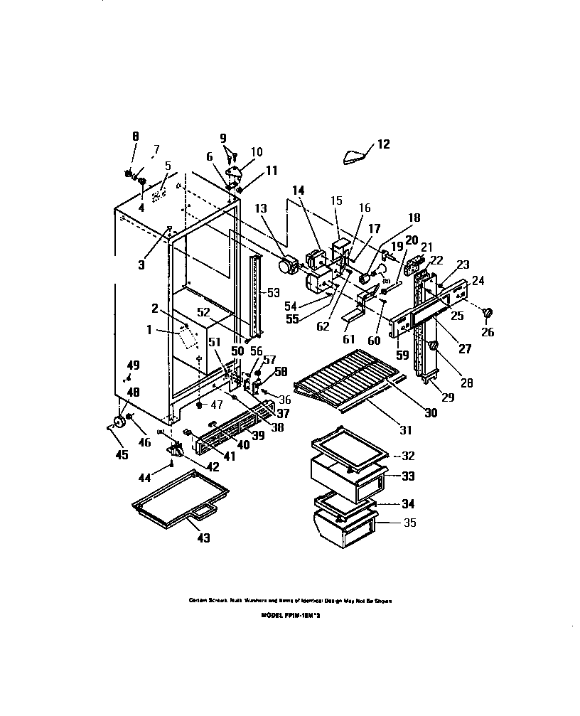
FPIM18ML3 02 – CABINET SHELVES, CONTROLSadmin2025-04-26T08:35:45+00:00FPIM18ML3 02 – CABINET SHELVES, CONTROLS ProductsPositionProduct2INSULATOR3BWCI 80071294WCI 80069705INSULATOR6WCI 80128297WCI 80000048WCI 80069719SCREW-HINGE MOUNTING (2)10WCI 801284311WCI 800273812BCOVER, HNG, ALMD13THERMOSTAT14WCI 800003515REFLECTOR16BRACKET-CONTROLS18WCI 800081519DAMPER20WELL21INSULATION22INSULATION23NUT24LABEL26KNOB27SHIELD-LIGHT28KNOB29DUCT-AIR30SHELF (4)31TRIM (4)32WCI 800076033WCI 800962634WCI 800076135TRAY-MEATS36WCI 800000537WCI 800008838WCI 991881039APRON40WCI 800016841WCI 800009142WCI 800011843PAN44WCI 800001645WCI 800026646WCI 800006747TUBE-DRAIN48WCI 800026549PLUG-REFRIGERATOR LINER (2)50WCI 800001151WCI 800000153WCI 800274454WCI 800009855SCREW-CONTROL MOUNTING (2) (NON-ILLUSTRATED)56WCI 800001357WASHER-1/4 NYLON (3)58WCI 800005959LABEL60WCI 800358161COVER62WCI 8000008