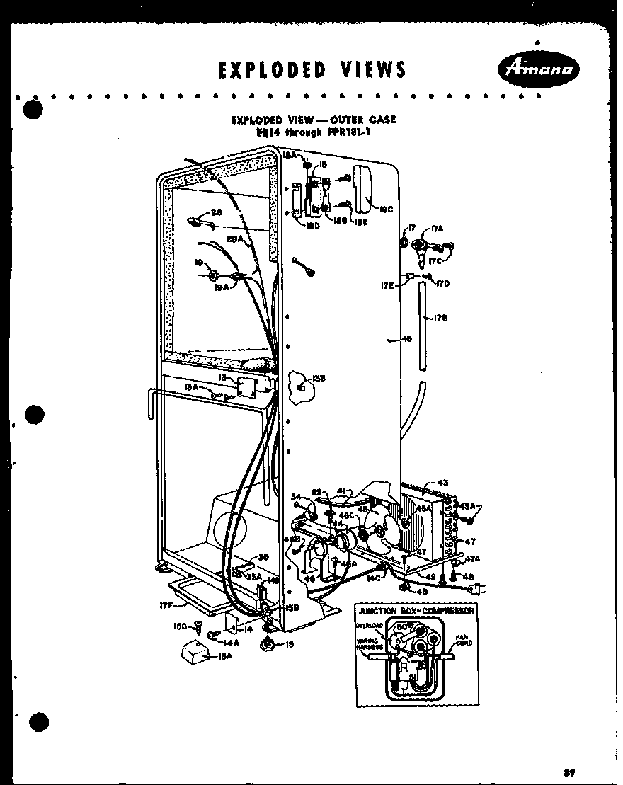
FPR14 02 – EXPLODED VIEW – OUTER CASEadmin2025-04-26T09:20:05+00:00FPR14 02 – EXPLODED VIEW – OUTER CASE ProductsPositionProductNIMAY D0743502NIMAY A0327001NIMAY D075460113MAY A026780113MAY B049000113MAY A031830114MAY A031970114MAY A030980115MAY C068100115MAY A025930115MAY A031740117MAY A023870117MAY A024890117MAY A032190117MAY C068180117MAY A032040117MAY A032020117MAY C068530118MAY D074350118MAY D074350718MAY A029550118MAY D074350418MAY D074350318MAY A028280619MAY A031770119MAY 8717K-326MAY C068520129MAY D077750134MAY A031650135MAY B049400135MAY A031250142MAY D077190143MAY A022950143MAY C068070144MAY A028780145MAY A028780345MAY B049690146MAY C068110146MAY A027560146MAY A028780247MAY A030750147MAY A025760148MAY A028470149MAY A025410150MAY T831710152MAY A0304701