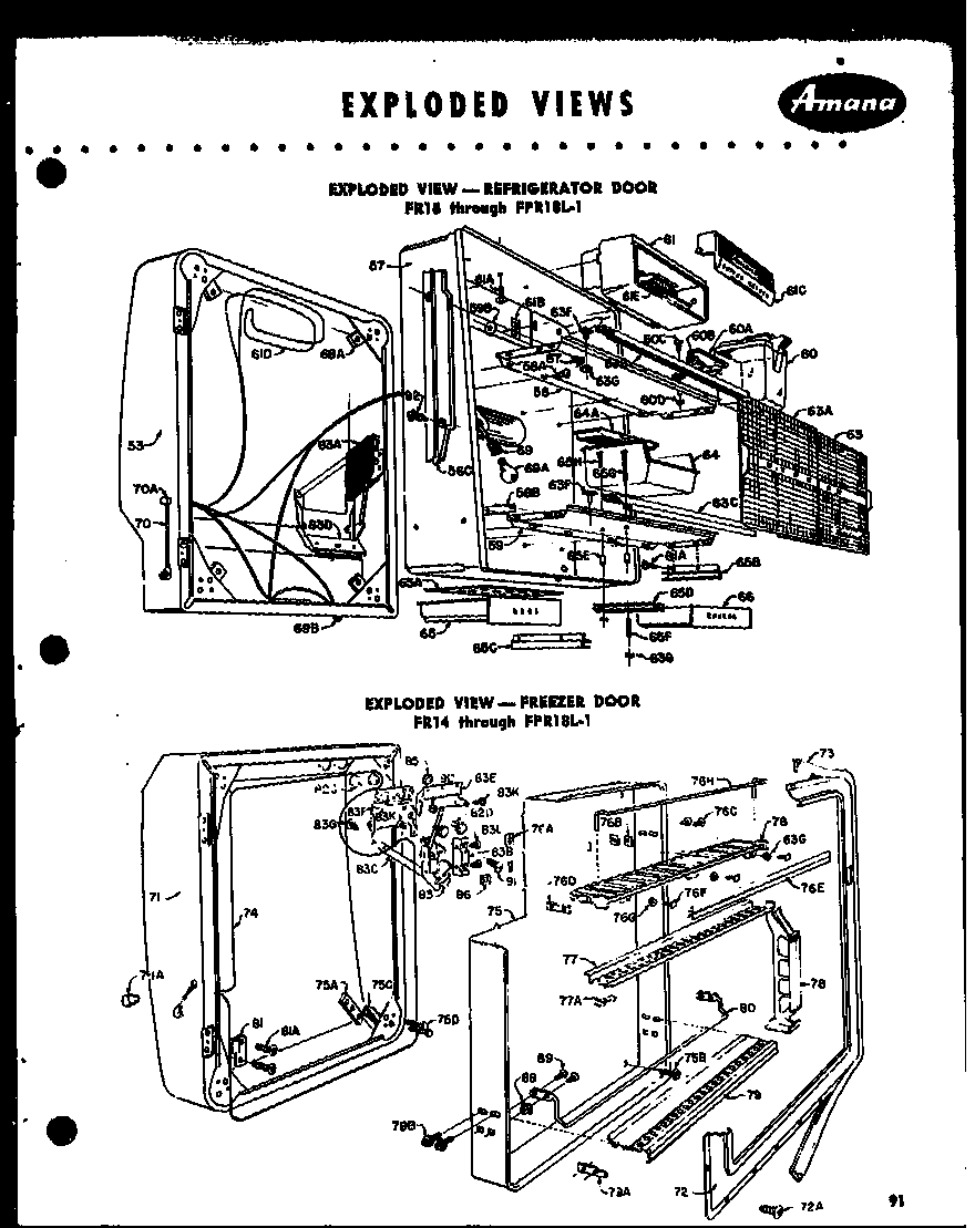
FPR18-1 01 – EXPLODED VIEW – FZ DOORadmin2025-04-26T09:18:32+00:00FPR18-1 01 – EXPLODED VIEW – FZ DOOR ProductsPositionProductNIMAY A029740158MAY A028590158MAY A032120158MAY D077560159MAY A032110159MAY D077560260MAY A026780160MAY C068480160MAY D077720160MAY A031980160MAY A030850161MAY D077400161MAY D077600161MAY A032240161MAY D077650161MAY A032080163MAY C068230163MAY C068220163MAY D077380263MAY A025990163MAY A028210164MAY D077460164MAY D077590165MAY C068400165MAY B049580169MAY A031800169MAY A030690170MAY A028410170MAY B049210171MAY D077120172MAY A029180172MAY D077430173MAY D077660176MAY B046480378MAY D074100479MAY D077700183MAY C068140183MAY A030720183MAY A030740183MAY A284783MAY B049060183MAY C068470183MAY D077410183MAY A029130183MAY C068140287MAY A030410188MAY A028870189MAY A023870191MAY A0319401