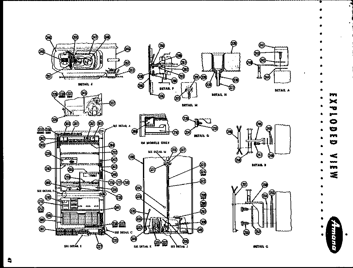
FPR95LB 05 – Page 1admin2025-04-26T09:20:25+00:00FPR95LB 05 – Page 1 ProductsPositionProductNIMAY A0327501NIMAY A0229501NIMAY A0278901NIMAY A3030301NIMAY C3542501NIMAY C3523601NIMAY A3037202NIMAY A3024901NIMAY B0543201NIMAY A0395105NIMAY C3523503NIMAY B0535701NIMAY A3030801NIMAY B0541301NIMAY B0538201189MAY D3851302191MAY C3543002195MAY D3799301197MAY D3853901202MAY D3855202204MAY D3855501214MAY A0318603215MAY D3795601216MAY D3795401217MAY A0337601218MAY A0337501225MAY C3542401226MAY A0317401227MAY C3523101234MAY C3523802235MAY A3013202236MAY A0285901237MAY B0496601238MAY A0381901239MAY A3002401240MAY C3524002241MAY B0526601242MAY B0525801243MAY A3015301244MAY A3009801245MAY C3524406247MAY A3015401248MAY A3015101249MAY A3015102250MAY C3525202251MAY B0532701252MAY B0528101253MAY A3015201254MAY A3015202255MAY A3015501286MAY D3770201287MAY A3017602289MAY A0372301290MAY A3026901292MAY A3025001293MAY A3002501297MAY A0382901298MAY A0382801300MAY B0539901301MAY B0530801302MAY B0530901319MAY C0669501320MAY A0320201321MAY A0238701322MAY A0320401323MAY A0321901324MAY A0248901325MAY A3040001326MAY D3866701331MAY A0373601332SEE NOTE GROUND WIRE, GREEN333MAY C3511505334MAY A0353901335MAY D3796004336MAY C3540001338MAY B0529801340MAY B0531301342MAY B0533301343MAY A3020101344MAY A0319701345MAY D3782402346MAY C3530802347MAY B0532901348MAY C3533701349MAY C3531701350MAY A3039401351MAY A0260201352MAY A0367001353MAY A3026101