FPZ17TFA2 03 – CABINET PARTSadmin2025-04-26T08:36:46+00:00FPZ17TFA2 03 – CABINET PARTS
Products
| Position | Product |
|---|
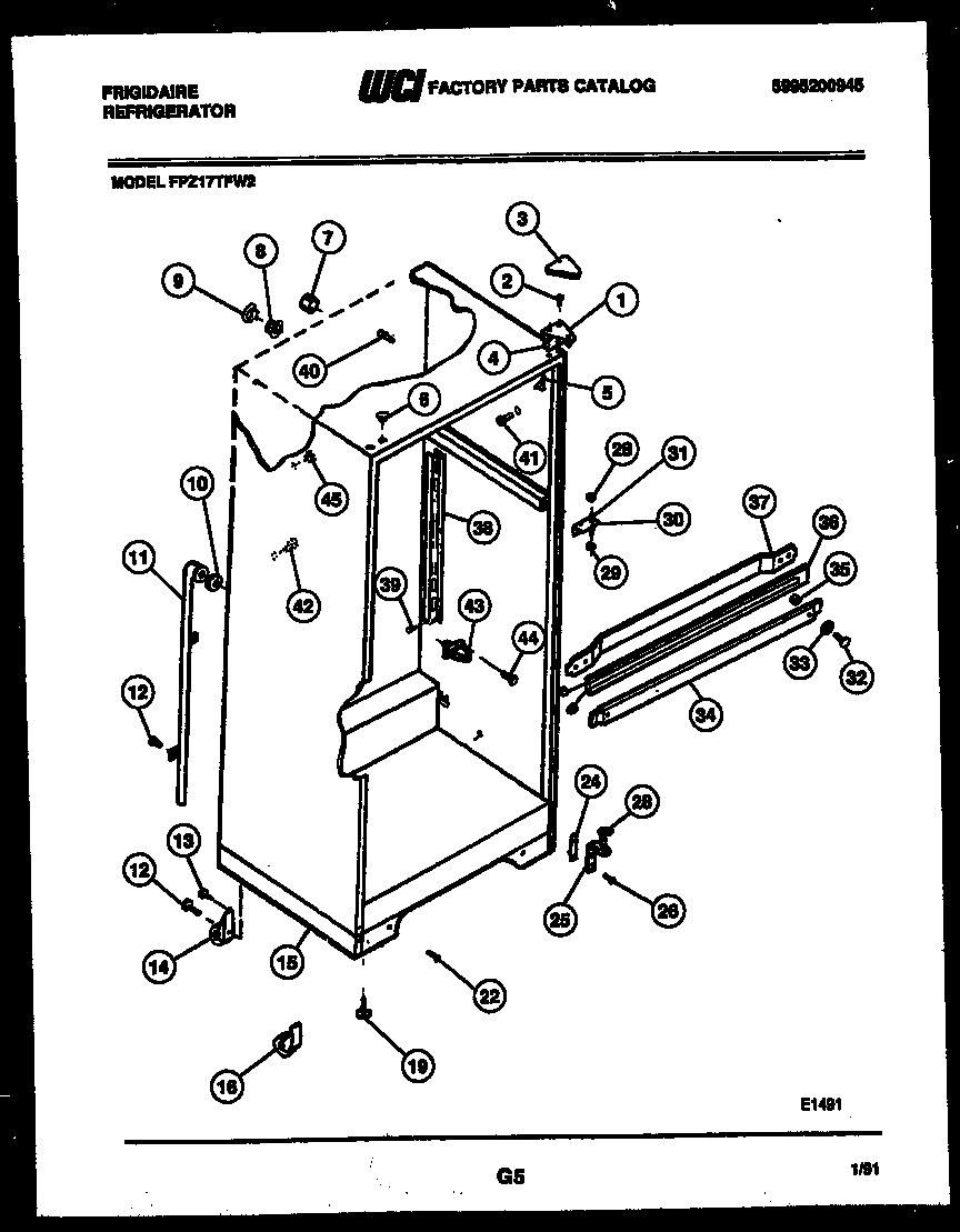
| 1 | BRACKET-UPPER HINGE |
| 3 | COVER-HINGE-AVOCADO |
| 4 | SHIM - UPPER HINGE |
| 5 | CORNER |
| 6 | BUTTON-HINGE-AVOCADO |
| 7 | TUBE-RUBBER |
| 8 | WCI 5303001286 |
| 9 | WCI 5303001287 |
| 10 | WCI 5303207353 |
| 11A | 5308000133 Frigidaire Refrigerator Clamp |
| 11 | WCI 5303210377 |
| 12 | BOLT-ROLLER MTG, HEX WASHER HEAD, 1/4-28 X 1/2, (2) |
| 13 | 5304455651 Frigidaire Refrigerator Screw |
| 14 | WCI 5308009773 |
| 15 | BASE-CABINET |
| 16 | WCI 5303212490 |
| 19 | WCI 08003583 |
| 22 | WCI 5303212598 |
| 24 | WCI 5303212488 |
| 24A | TAPPING PLATE, UPPER HINGE (2) (NOT ILLUSTRATED) |
| 25A | TAPPING PLATE, GUSSET, LH (NOT ILLUSTRATED) |
| 25 | BRACKET-LOWER HINGE, W/ HINGE PIN |
| 25B | TAPPING PLATE, GUSSET, RH (NOT ILLUSTRATED) |
| 26 | 241710601 Frigidaire Refrigerator Screw |
| 28 | WASHER, .34 X .62 X .05, NYLON |
| 29 | WCI 5308000186 |
| 30 | BRACKET-CTR HINGE |
| 31 | WCI 5308000184 |
| 32 | WCI 5308012258 |
| 33 | WASHER, NO. 10 FLAT, 7/32 X 7/16 OD, STEEL (NI) |
| 34 | WCI 3916135 |
| 35 | SPACER-MULLION MTG, STEEL |
| 36 | WCI 5308017408 |
| 37 | WCI 5308003604 |
| 38 | CHANNEL, RH & LH |
| 39 | 5304455852 Frigidaire Refrigerator Screw |
| 40 | SUPPORT-COIL COVER |
| 41 | 5304509705 Frigidaire Refrigerator Grommet |
| 42 | 5304500407 Frigidaire Refrigerator Shelf Mounting Grommet |
| 43 | WCI 5308000056 |
| 44 | WCI 5303001361 |
| 45 | PLUG, BUTTON, CABINET LINER (NI) |