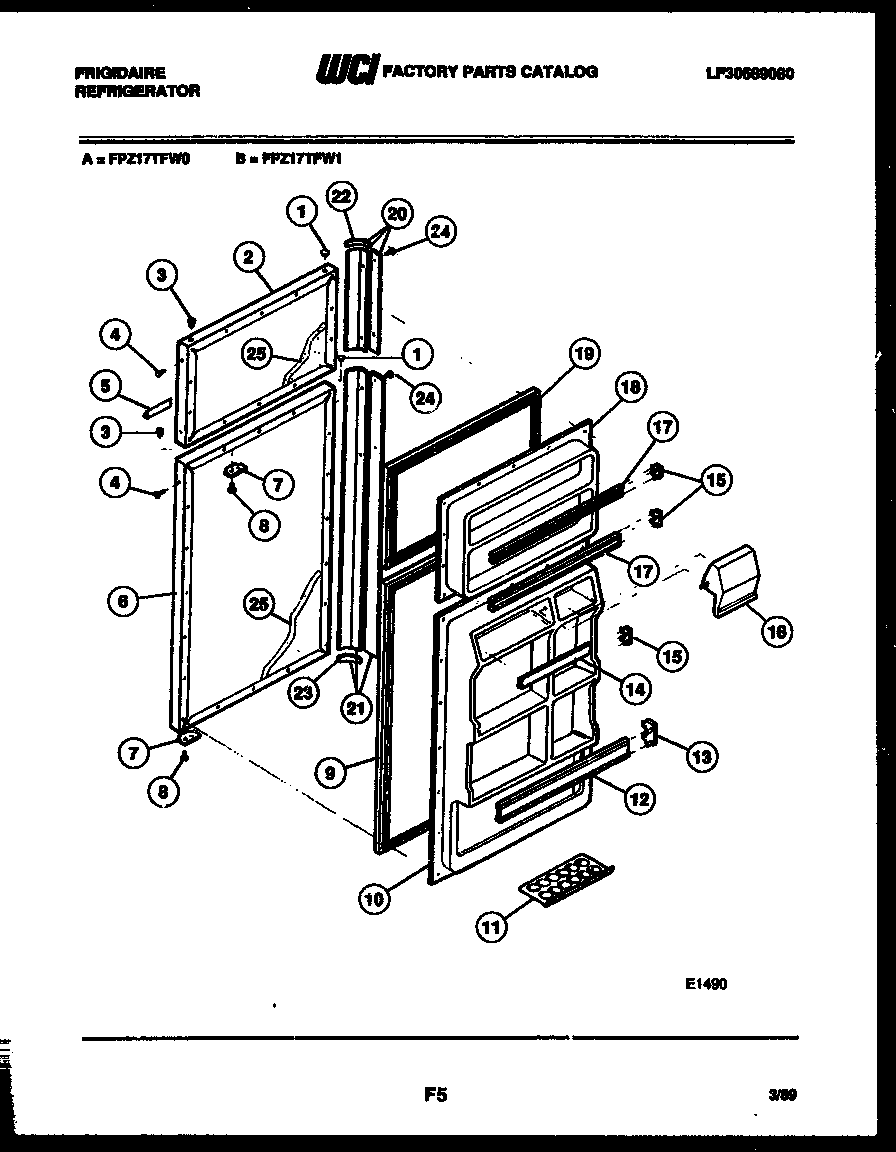
FPZ17TFF1 02 – DOOR PARTSadmin2025-04-26T08:36:47+00:00FPZ17TFF1 02 – DOOR PARTS ProductsPositionProduct1WCI 080001742WCI 080128373WCI 080120074WCI 080001785WCI 32015816WCI 080128417DOOR STOP (2)8SCREW-DOOR STOP (2) (NON-ILLUSTRATED)9218730603 Frigidaire Door Gasket10WCI 320047811215817806 Frigidaire Refrigerator Egg Tray12215516220 Frigidaire Refrigerator Door Rack13A5303325991 Frigidaire Refrigerator Door Bar Endcap135303325990 Frigidaire Refrigerator Door Bar End Cap14RACK-REFR DOOR155303323481 Frigidaire Refrigerator Left Hand Door Bar End Cap15A5303323480 Frigidaire Refrigerator Door Bar End Cap Rh16WCI 301886717WCI 301886618A5304455651 Frigidaire Refrigerator Screw18WCI 301886519WCI 300130420HANDLE ASSY W/ CAP & TRIM-FREEZER21WCI 320200922WCI 0801023923WCI 0801023824SCREW25INSULATION-BULK