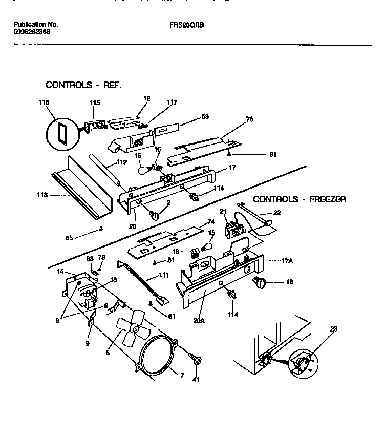
FRS20QRBD1 06 – CONTROLS, DAMPER, FAN SECTIONadmin2025-04-26T08:35:11+00:00FRS20QRBD1 06 – CONTROLS, DAMPER, FAN SECTION ProductsPositionProduct*15124SCREW-CONTROL BOX MTG,HEX HEAD ,8-15A X 1.000,REFR/FRZR2WCI 530328904555308000010 Frigidaire Refrigerator Evaporator Fan Blade7RING-FAN ORIFICE8G187559 Frigidaire Refrigerator Bushing9WCI 530320511812WCI 21590110013WCI 21534810013215474201 Frigidaire Refrigerator Washer14BRACKET-MOTOR MTG, REAR15316538904 Frigidaire Oven Lamp Light16241559801 Frigidaire Light Socket Refrigerator17WCI 530328904917AWCI 530328905617AWCI 21598080018WCI 530328905420AWCI 530330485120WCI 530330485221WCI 530329432321WCI 530300126022WCI 301889123COVER-DEFROST TIMER, TOP23215846602 Frigidaire Refrigerator 8-Hour Defrost Timer23SHIELD-DEFROST TIMR,BTM235304455649 Frigidaire Refrigerator Screw415308000039 Frigidaire Refrigerator Screw41NUT, ``U`` TYPE, NO. 8-15(A), FAN MOTOR MOUNT (NOT ILLUSTRATED)53WCI 21517520053WCI 21526730065WCI 530300136174WCI 530328951675WCI 5303289052785304455651 Frigidaire Refrigerator Screw815304455650 Frigidaire Refrigerator Screw83WCI 5308000107111WCI 5303289024112WCI 215277101113COVER - DMPR ROD EXT1145303289051 Frigidaire Refrigerator Light Switch115WCI 215011501116WCI 215011400117WCI 215011700