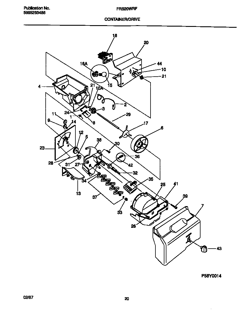
FRS20WRFD0 09 – CONTAINER/DRIVEadmin2025-04-26T08:34:57+00:00FRS20WRFD0 09 – CONTAINER/DRIVE ProductsPositionProduct*12574WCI 2157817001WCI 2155713002WCI 2182325003WCI 2182323004AWCI 2187473004BWCI 2187377005WCI 2157481056WCI 2157528007WCI 2187481018WCI 2155712009WCI 21541970010241726501 Frigidaire Refrigerator Drive Bar10WCI 21823280011WCI 21575520012WCI 21542040013WCI 21828520014WCI 21541990015316538904 Frigidaire Oven Lamp Light16218906802 Frigidaire Light Lamp Socket17WCI 21575480018A5304462594 Frigidaire Refrigerator Motor-Auger18BHARNESS-WIRING, AUGER MOTOR (NOT ILLUSTRATED)20WCI 21874790123BRING-RETAINER (NOT ILLUSTRATED)23CSTUD (NOT ILLUSTRATED)23AWCI 21575530024WCI 21557140025WCI 21542140026215503203 Frigidaire Refrigerator Door Handle Screw27WCI 21574840028WCI 21575510029WCI 21575750130WCI 21575730031WCI 21575740032BRING-SNAP (NOT ILLUSTRATED)32AWCI 21574750133WCI 21574820034WCI 21574830035WCI 21575350036WCI 21575670037ISPACER, (2) (NOT ILLUSTRATED)37AWCI 21575610037BBLADE-CRUSHER, NO. 1 (NOT ILLUSTRATED)37CBLADE-CRUSHER, NO. 2 (NOT ILLUSTRATED)37DBLADE-CRUSHER, NO. 3 (NOT ILLUSTRATED)37EBLADE-CRUSHER, NO. 4 (NOT ILLUSTRATED)37FBLADE-CRUSHER, NO. 5 (NOT ILLUSTRATED)37GSHAFT-CRUSHER (NOT ILLUSTRATED)37HRING-SNAP (NOT ILLUSTRATED)37JSPACER, (4) (NOT ILLUSTRATED)38WCI 21827010039WCI 21575700041WCI 21827020042WCI 21575600043BSPRING-KNOB (NOT ILLUSTRATED)43AWCI 21575500344WCI 218359200