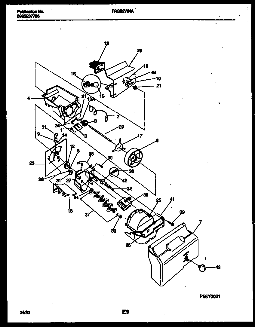
FRS22WNAW0 09 – ICE DISPENSERadmin2025-04-26T08:34:55+00:00FRS22WNAW0 09 – ICE DISPENSER ProductsPositionProduct1WCI 2155713002WCI 2154190003WCI 2154192004WCI 2154177004AWCI 2154639005WCI 2157481056WCI 2157528007WCI 2154216018WCI 2155712009WCI 21541970010AWCI 21575720010241726501 Frigidaire Refrigerator Drive Bar11WCI 21575520012WCI 21542040013WCI 21542060014WCI 21541990015316538904 Frigidaire Oven Lamp Light16WCI 21576710017WCI 215754800185304462594 Frigidaire Refrigerator Motor-Auger18AWCI 21528550019WCI 21577100020WCI 21528530123ARING-RETAINER (NOT ILLUSTRATED)23WCI 21575530023BSTUD (NOT ILLUSTRATED)24WCI 21557140025WCI 21542140026215503203 Frigidaire Refrigerator Door Handle Screw27WCI 21574840028WCI 21575510029WCI 21575750130WCI 21575730031WCI 21575740032WCI 21574750132ARING-SNAP (NOT ILLUSTRATED)33WCI 21574820034WCI 21574830035WCI 21575350036WCI 21575670037FBLADE-CRUSHER, NO. 2 (NOT ILLUSTRATED)37GBLADE-CRUSHER, NO. 1 (NOT ILLUSTRATED)37WCI 21575610037EBLADE-CRUSHER, NO. 3 (NOT ILLUSTRATED)37BRING-SNAP (NOT ILLUSTRATED)37ISPACER, (4) (NOT ILLUSTRATED)37HSPACER, (2) (NOT ILLUSTRATED)37ASHAFT-CRUSHER (NOT ILLUSTRATED)37CBLADE-CRUSHER, NO. 5 (NOT ILLUSTRATED)37DBLADE-CRUSHER, NO. 4 (NOT ILLUSTRATED)38WCI 21575690039WCI 21575700041WCI 21575680042WCI 21575600043ASPRING-KNOB (NOT ILLUSTRATED)43WCI 21542190144WCI 215285200