| *90564 | TOUCH, UP PAINT, ALMOND (NI) |
| *90563 | WASHER, EXT TOOTH LOCK, NO. 10 (NON-ILLUSTRATED) |
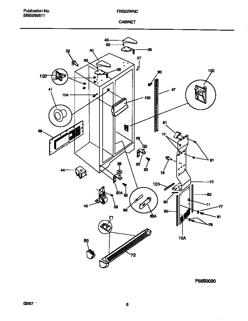
| 10 | WCI 215637602 |
| 10 | WCI 215637400 |
| 11 | 5303208309 Frigidaire Refrigerator Plug Hole |
| 12 | 5303001147 Frigidaire Refrigerator Plug-Harness Hole |
| 18B | SUPPORT-AIR DUCT CVR,1.83`` LONG |
| 18A | WCI 5303289043 |
| 29C | WCI 215598900 |
| 29B | WCI 215314300 |
| 29A | WCI 215003200 |
| 30 | BRACKET-LOWER HINGE,RH/LH ,W/HINGE PIN |
| 30 | WCI 215009000 |
| 30A | WCI 218730800 |
| 30B | WCI 218730700 |
| 30C | WCI 218730900 |
| 37 | WCI 5303321082 |
| 38A | WCI 218215221 |
| 38B | WCI 218215223 |
| 40 | WCI 5303318774 |
| 41A | 5304509705 Frigidaire Refrigerator Grommet |
| 41B | 5304500407 Frigidaire Refrigerator Shelf Mounting Grommet |
| 43A | WCI 218615300 |
| 43B | WCI 5303289062 |
| 43C | SCREW-ROLLER MTG,SPCL IND HEX HD, 5/16-18(23) X 7/8 |
| 44 | WCI 218738300 |
| 47 | WCI 218659500 |
| 52 | TUBE-WATER,ICE MOLD FILL ,ELBOW |
| 60 | 5304455852 Frigidaire Refrigerator Screw |
| 66 | WCI 215050201 |
| 66 | WCI 218171301 |
| 71 | 218515401 Frigidaire Refrigerator Clip |
| 72 | WCI 218359605 |
| 77 | WASHER-NYLON,3/16 X 5/8 OD |
| 78 | 5304455651 Frigidaire Refrigerator Screw |
| 80 | WCI 218249802 |
| 81 | 5304455650 Frigidaire Refrigerator Screw |
| 85 | WCI 218359803 |
| 89 | WCI 215176300 |
| 90 | WCI 215022602 |
| 91 | WCI 218770000 |
| 92 | 241710601 Frigidaire Refrigerator Screw |
| 100 | SUPPORT-PAN COVER |
| 101 | WCI 215305702 |
| 102 | SUPPORT, MOTOR BRKT, & SHELF |
| 103 | WCI 215413100 |
| 104B | SCREW-ICE DR SUPT, CR SPCL PAN HD, 8-15(A) X 1-5/8 (NOTILLUSTRATED) |
| 104A | SUPPORT-ICE ACCESS DR |