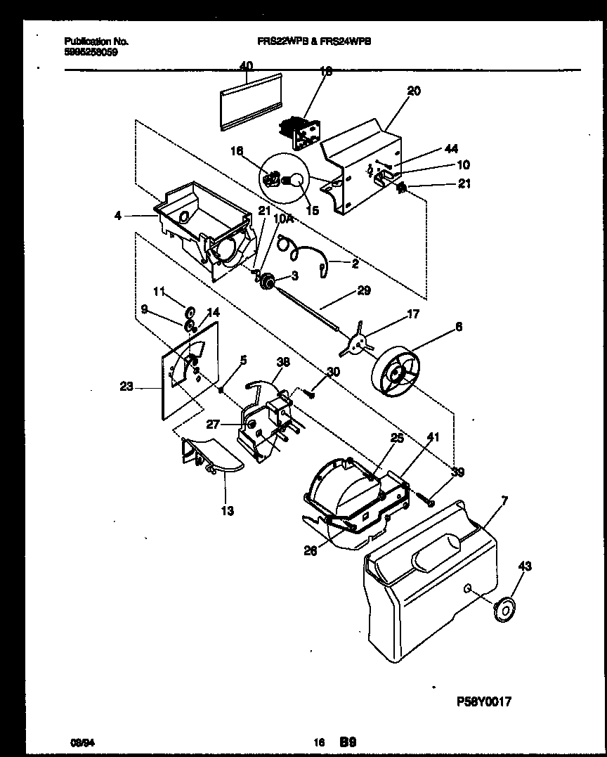
FRS22WPBW0 09 – ICE DISPENSERadmin2025-04-26T08:35:11+00:00FRS22WPBW0 09 – ICE DISPENSER ProductsPositionProduct2WCI 2182325003WCI 2182323004ALABEL-ICE CONTAINER (NOT ILLUSTRATED)4WCI 2182168005WCI 2157481056WCI 2157528007WCI 2154216039WCI 21541970010241726501 Frigidaire Refrigerator Drive Bar10AWCI 21823280011WCI 21575520013WCI 21828520014WCI 21541990015316538904 Frigidaire Oven Lamp Light16218906802 Frigidaire Light Lamp Socket17WCI 21575480018AHARNESS-WIRING, AUGER MOTOR, (NON-ILLUSTRATED)185304462594 Frigidaire Refrigerator Motor-Auger20WCI 21528530123BSTUD (NOT ILLUSTRATED)23ARING-RETAINER (NOT ILLUSTRATED)23WCI 21575530025WCI 21542140026215503203 Frigidaire Refrigerator Door Handle Screw27WCI 21574840029WCI 21575750130WCI 21575730038WCI 21827010039WCI 21575700041WCI 21827020043WCI 21563500044WCI 218359200