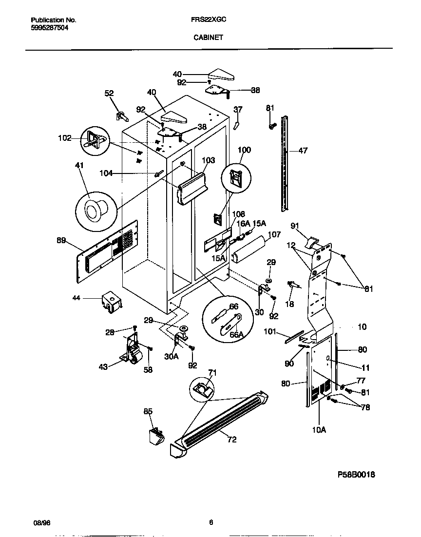
FRS22XGCW3 04 – CABINET