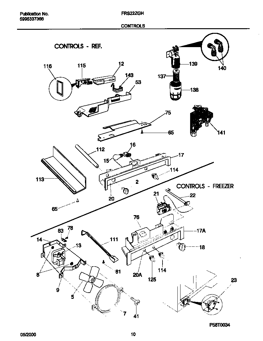
FRS22ZGHW4 06 – CONTROLS