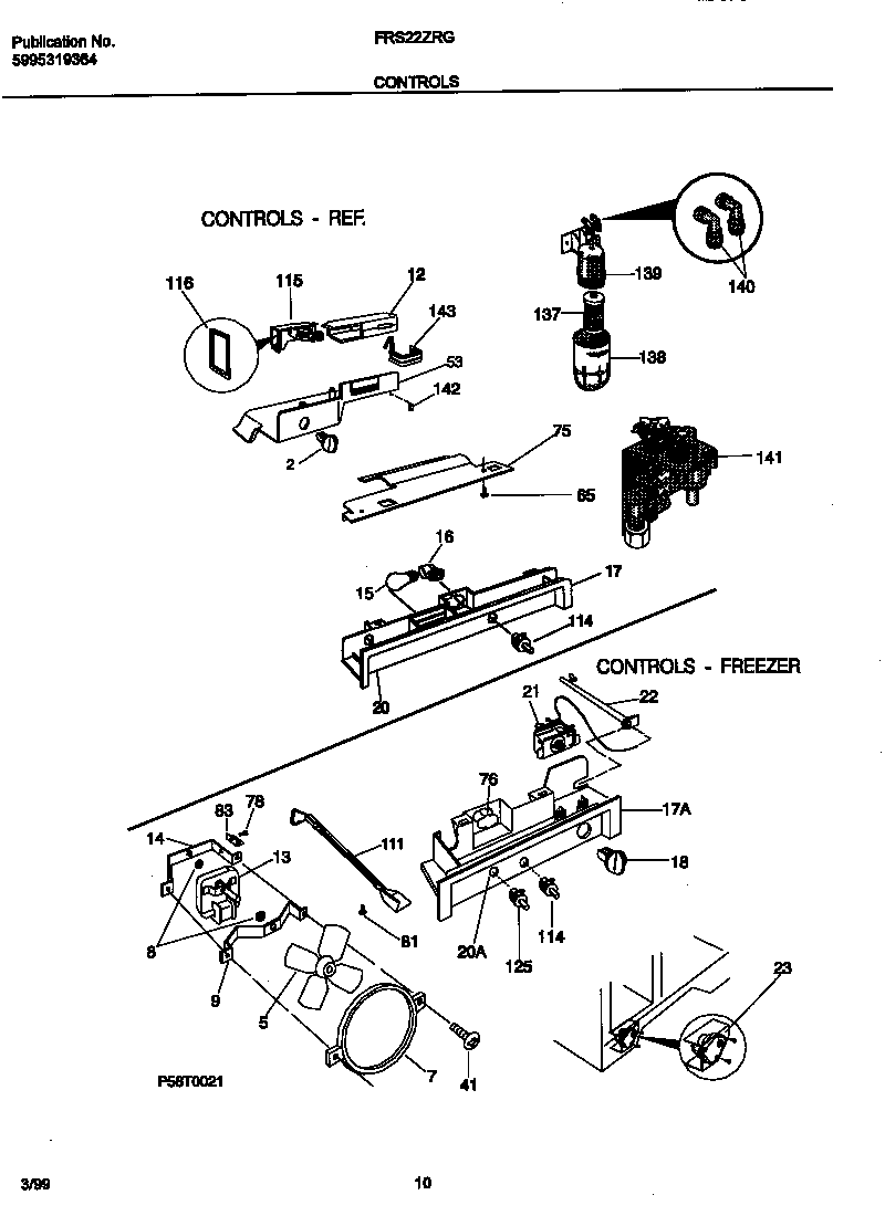
FRS22ZRGB3 06 – CONTROLS