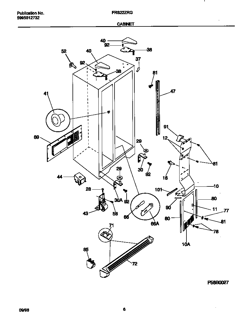
FRS22ZRGW2 04 – CABINET