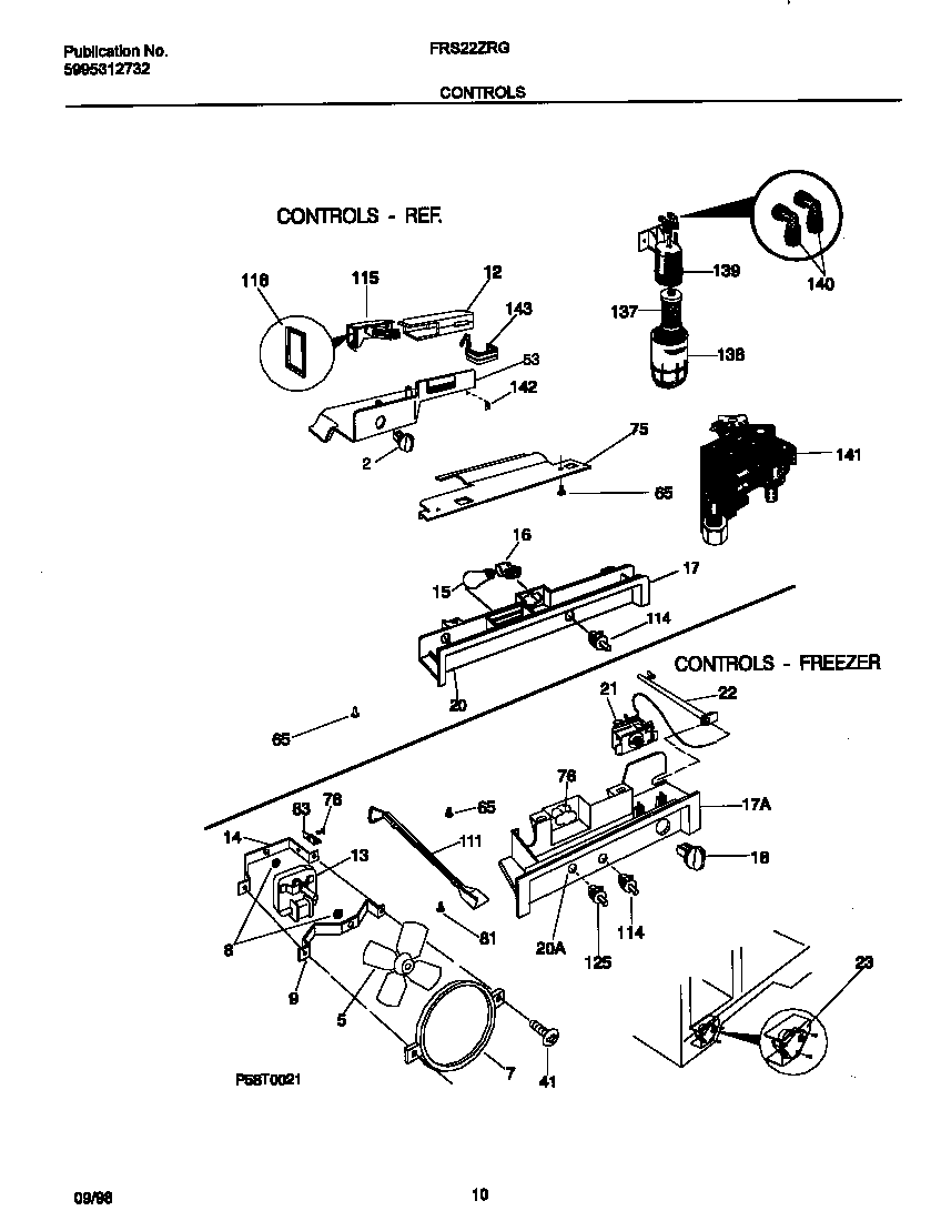
FRS22ZRGW2 06 – CONTROLS