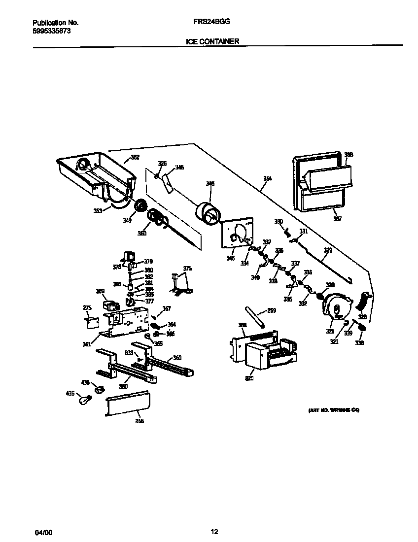
FRS24BGGB8 07 – ICE CONTAINERadmin2025-04-26T12:49:23+00:00FRS24BGGB8 07 – ICE CONTAINER ProductsPositionProduct258WCI 5304413829269WCI 5304406307275WCI 5304406498320WCI 5304406499321WCI 5304406500325WCI 5304406502326WCI 5304406503328AWCI 5304406507328CWCI 5304406506328BWCI 5304406504329WCI 5304406508330WCI 5304406509331WCI 5304406510332WCI 5304406511333WCI 5304406512334WCI 5304406513335WCI 5304406514336WCI 5304406515337WCI 5304406516338WCI 5304406517339WCI 5304406518340WCI 5304406519345WCI 5304406521346WCI 5304406522348WCI 5304406523349WCI 5304406524350WCI 5304406525352WCI 5304406526353WCI 5304406527354WCI 5304413806360WCI 5304413830361WCI 5304413831364WCI 5304406531365WCI 5304406532366WCI 5304406533367SCREW-MOTOR MTG,(11)368WCI 5304406535369WCI 5304406536375HARNESS-WIRING,AUGER MOTOR377WCI 5304406538378WCI 5304406539379WCI 5304406540380WCI 5304406541381PIN-SPIRAL,SPIRAL ,SLND COLLAR382WCI 5304406543383WCI 5304406544384WCI 5304406545385PIN-SPIRAL,SLND STIRRUP387WCI 5304406547388WCI 5304406548435WCI 5304406550435WCI 5304416768435316538904 Frigidaire Oven Lamp Light820WCI 5304406551833WCI 5304413832