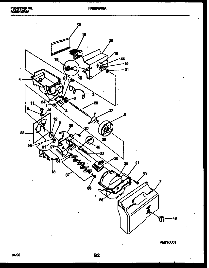
FRS24WRAD1 09 – ICE DISPENSERadmin2025-04-26T12:50:33+00:00FRS24WRAD1 09 – ICE DISPENSER ProductsPositionProduct1WCI 2155713002WCI 2154190003WCI 2154192004AWCI 2154639004WCI 2154177005WCI 2157481056WCI 2157528007WCI 2154216018WCI 2155712009WCI 21541970010AWCI 21575720010241726501 Frigidaire Refrigerator Drive Bar11WCI 21575520012WCI 21542040013WCI 21542060014WCI 21541990015316538904 Frigidaire Oven Lamp Light16WCI 21576710017WCI 21575480018AWCI 215235500185304462594 Frigidaire Refrigerator Motor-Auger19WCI 21577100020WCI 21528530123WCI 21575530023BSTUD (NOT ILLUSTRATED)23ARING-RETAINER (NOT ILLUSTRATED)24WCI 21557140025WCI 21542140026215503203 Frigidaire Refrigerator Door Handle Screw27WCI 21574840028WCI 21575510029WCI 21575750130WCI 21575730031WCI 21575740032ARING-SNAP (NOT ILLUSTRATED)32WCI 21574750133WCI 21574820034WCI 21574830035WCI 21575350036WCI 21575670037CBLADE-CRUSHER, NO. 3 (NOT ILLUSTRATED)37GRING-SNAP (NOT ILLUSTRATED)37WCI 21575610037ABLADE-CRUSHER, NO. 1 (NOT ILLUSTRATED)37FSHAFT-CRUSHER (NOT ILLUSTRATED)37BBLADE-CRUSHER, NO. 2 (NOT ILLUSTRATED)37EBLADE-CRUSHER, NO. 5 (NOT ILLUSTRATED)37DBLADE-CRUSHER, NO. 4 (NOT ILLUSTRATED)37ISPACER, (4) (NOT ILLUSTRATED)37HSPACER, (2) (NOT ILLUSTRATED)