FRS24WRBD1 07 – CONTROLS, DAMPER, FAN SECTIONadmin2025-04-26T11:43:29+00:00FRS24WRBD1 07 – CONTROLS, DAMPER, FAN SECTION
Products
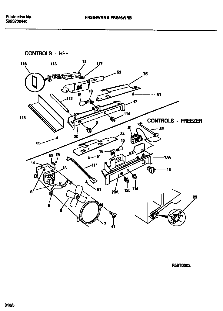
| Position | Product |
|---|
| *46409 | SCREW-CONTROL BOX MTG,HEX HEAD ,8-15A X 1.000,REFR/FRZR |
| 2 | WCI 5303289045 |
| 5 | 5308000010 Frigidaire Refrigerator Evaporator Fan Blade |
| 7 | RING-FAN ORIFICE |
| 8 | G187559 Frigidaire Refrigerator Bushing |
| 9 | WCI 5303205118 |
| 12 | WCI 215901100 |
| 13 | 215474201 Frigidaire Refrigerator Washer |
| 13 | WCI 215348100 |
| 14 | BRACKET-MOTOR MTG, REAR |
| 15 | 316538904 Frigidaire Oven Lamp Light |
| 16 | 241559801 Frigidaire Light Socket Refrigerator |
| 17 | BOX - CONTROL, REFR |
| 17A | CONTROL BOX, FRZR |
| 18 | WCI 5303289054 |
| 20A | WCI 5303301522 |
| 20 | WCI 5303301521 |
| 21 | WCI 5303294323 |
| 22 | WCI 3018891 |
| 23 | 5304455649 Frigidaire Refrigerator Screw |
| 23 | SHIELD-DEFROST TIMR,BTM |
| 23 | 215846602 Frigidaire Refrigerator 8-Hour Defrost Timer |
| 23 | COVER-DEFROST TIMER, TOP |
| 41 | 5308000039 Frigidaire Refrigerator Screw |
| 41 | NUT, ``U`` TYPE, NO. 8-15(A), FAN MOTOR MOUNT (NOT ILLUSTRATED) |
| 53 | WCI 215267300 |
| 53 | WCI 215177800 |
| 65 | WCI 5303001361 |
| 74 | WCI 5303289516 |
| 75 | WCI 5303289052 |
| 78 | 5304455651 Frigidaire Refrigerator Screw |
| 81 | 5304455650 Frigidaire Refrigerator Screw |
| 83 | WCI 5308000107 |
| 111 | WCI 5303297842 |
| 112 | WCI 215277102 |
| 113 | COVER - DMPR ROD EXT |
| 114 | 5303289051 Frigidaire Refrigerator Light Switch |
| 115 | WCI 215011501 |
| 116 | WCI 215011400 |
| 117 | WCI 215011700 |
| 125 | WCI 215334201 |