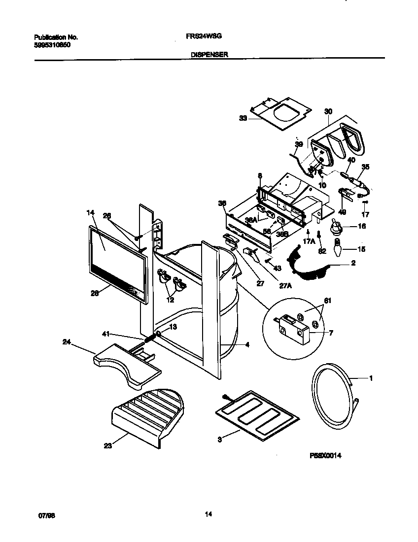
FRS24WSGW0 08 – ICE DISPENSERadmin2025-04-26T08:37:21+00:00FRS24WSGW0 08 – ICE DISPENSER ProductsPositionProduct*03717TUBE-WATER INLET,FILTER ,TO FILTER VALVE,W/ELBOW*03720WCI 215781700*03722WCI 5300460947*03721WCI 218863101*03716WCI 215294101*03718WCI 218770401*03719SHIELD-MICRO SWITCH (NOT ILLUSTRATED)15308010366 Frigidaire Refrigerator P1-Water Inlet Tube2WCI 2185053013WCI 2154843004WCI 2184321017WCI 2188419018WCI 21883570110WCI 21820980012WCI 21576650113WCI 21574810114WCI 21841615815WCI 21828490016240548901 Frigidaire Refrigerator P-1 Socket17BWASHER-FLAT17WCI 21579440017AWCI 21584070023WCI 530329784424WCI 21879650126215503203 Frigidaire Refrigerator Door Handle Screw27WCI 21881490127WCI 21843260028WCI 21870060130DOOR ASSY-ICE CHUTE, W/GASKET, INSUL33BWCI 21887020133AWCI 21884980135WCI 21874000336WCI 21883560138241689106 Frigidaire Refrigerator Micro Switch38WCI 218479900395304401778 Frigidaire Refrigerator Ice Door Wire40WCI 21828450041WCI 21576540043WCI 21576030049WCI 21579400056WCI 21843430061WCI 21576600082WCI 215296300