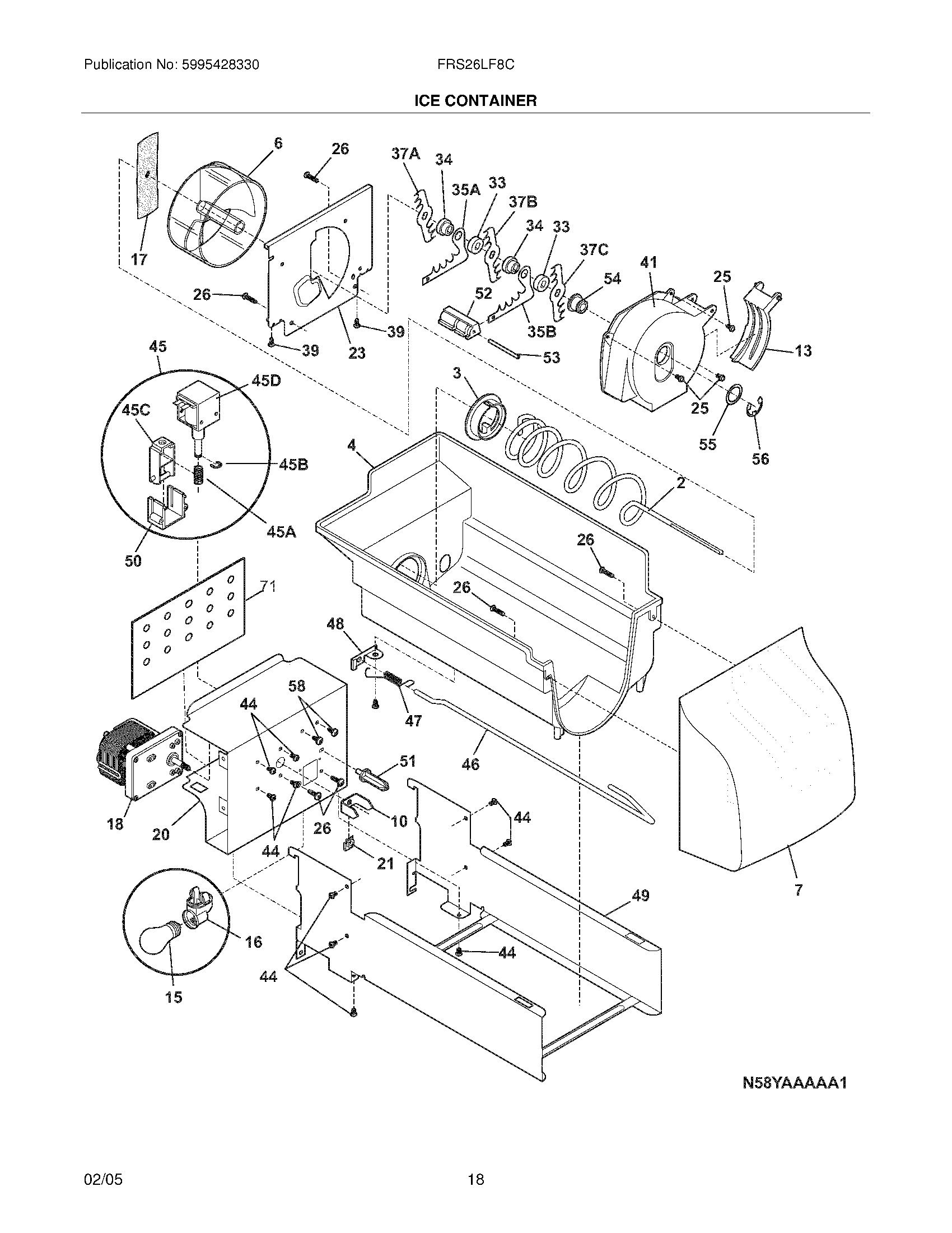
FRS26LF8CW4 17 – ICE CONTAINERadmin2025-04-26T08:38:27+00:00FRS26LF8CW4 17 – ICE CONTAINER ProductsPositionProductNI241860801 Frigidaire Refrigerator Ice Container AssemblyNIWCI 5304404364NIWiring Harness,ice maker ,internal ,2241716101 Frigidaire Refrigerator Ice Auger3241685201 Frigidaire Refrigerator Drive Cam4241734001 Frigidaire Refrigerator Ice Bucket6241685101 Frigidaire Refrigerator Ice Dispenser Drum7WCI 530442280515316538904 Frigidaire Oven Lamp Light16241559801 Frigidaire Light Socket Refrigerator17241684503 Frigidaire Ice Crusher Blade185304462594 Frigidaire Refrigerator Motor-Auger20WCI 530440433221241726501 Frigidaire Refrigerator Drive Bar23241684001 Frigidaire Refrigerator Plate-Front25240555002 Frigidaire Refrigerator Screw #8-32 X 3/826215503203 Frigidaire Refrigerator Door Handle Screw33241684802 Frigidaire Refrigerator Spacer34241689802 Frigidaire Refrigerator Spacer35A241684303 Frigidaire Refrigerator Fixed Blade35B241684203 Frigidaire Refrigerator Fixed Blade37C241684109 Frigidaire Ice Crusher Blade37B241684108 Frigidaire Washer Poly V-Belt37A241684107 Frigidaire Refrigerator Ice Crusher Blade39241690501 Frigidaire Refrigerator Screw41241885001 Frigidaire Refrigerator Ice Crusher Housing44WCI 21835920045C241676101 Frigidaire Refrigerator Solenoid-Actuator45B241676001 Frigidaire Refrigerator E-Ring Solenoid45A241675902 Frigidaire Refrigerator Solenoid Spring45241675704 Frigidaire Refrigerator Solenoid Assembly45D241675803 Frigidaire Refrigerator Freezer Ice Dispenser Solenoid46WCI 530440434147WCI 530440434248241684602 Frigidaire Refrigerator Control Rod Bracket49WCI 530440432950241675601 Frigidaire Refrigerator Solenoid Guide51WCI 530440433652241684901 Frigidaire Refrigerator Spacer-Fixed Blades53241690402 Frigidaire Refrigerator Pin-Spiral54241685001 Frigidaire Auger Nut55241690306 Frigidaire Refrigerator Washer56241690201 Frigidaire Refrigerator E-Ring58WCI 530440433171WCI 241577302