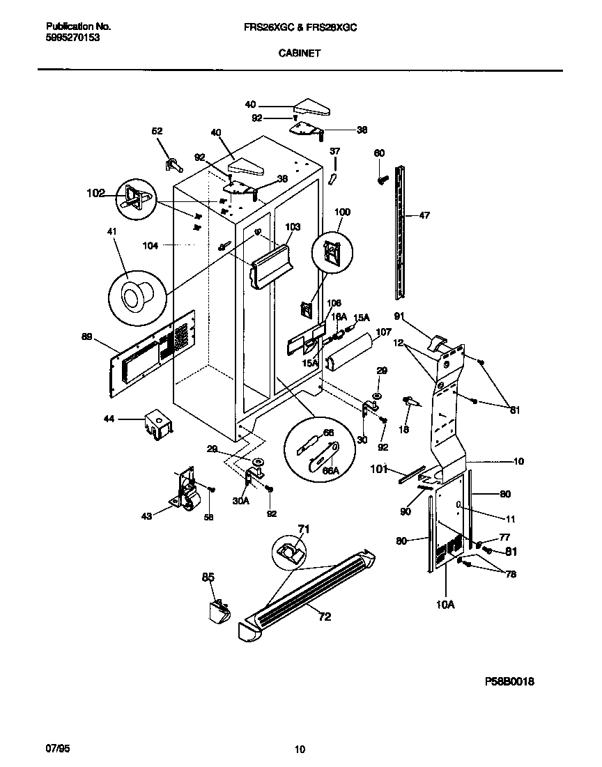
FRS26XGCW1 05 – CABINET