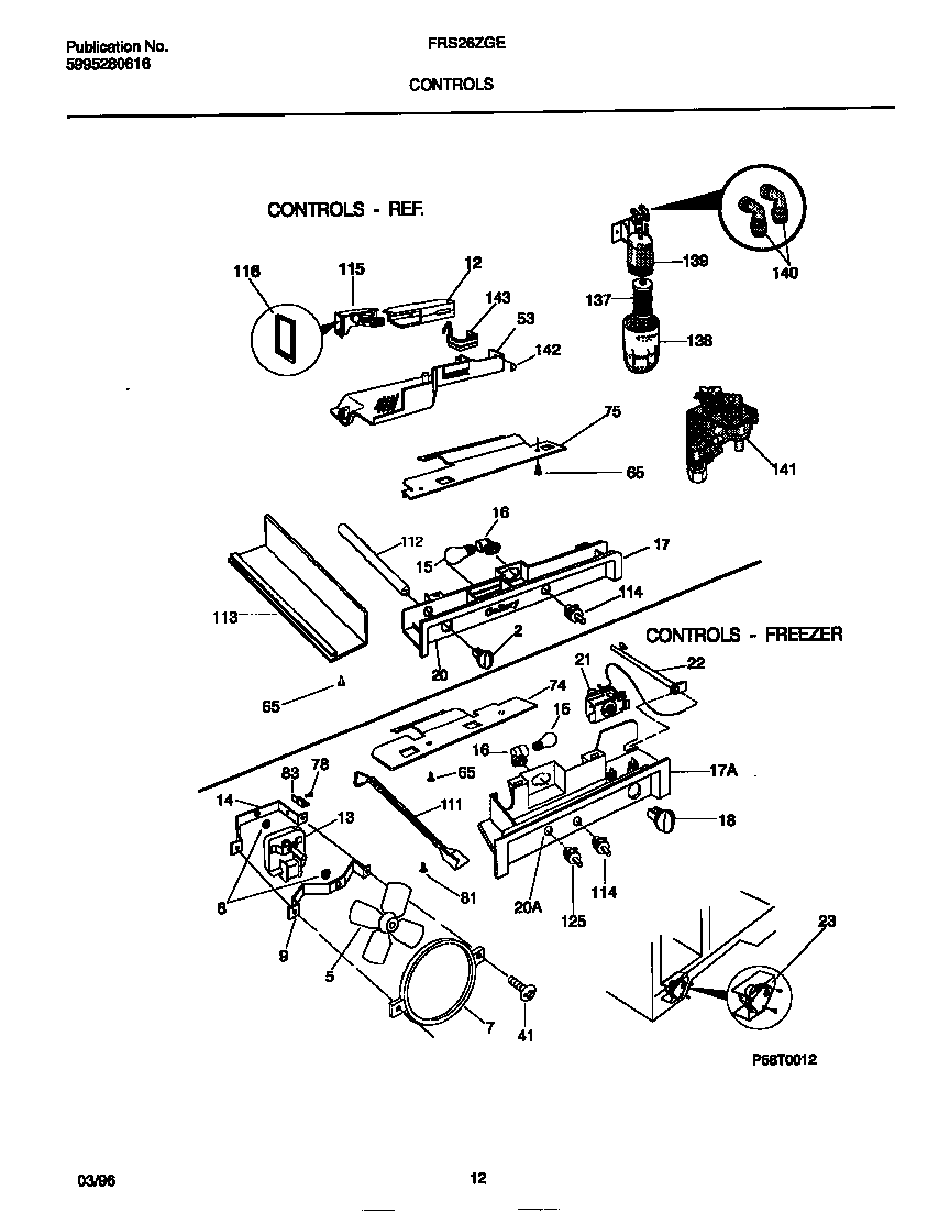
FRS26ZGED0 06 – CONTROLS

FRS26ZGED0 06 – CONTROLS