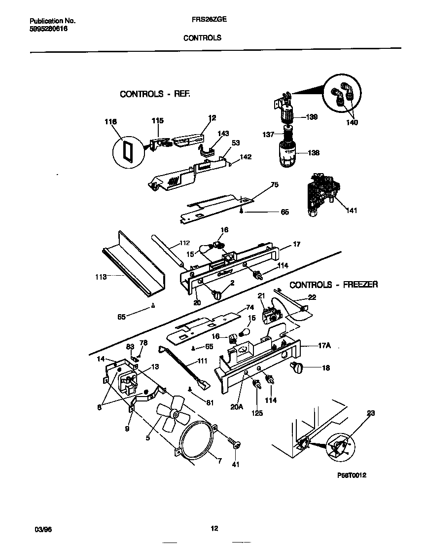
FRS26ZGEW0 06 – CONTROLS

FRS26ZGEW0 06 – CONTROLS