| *69710 | 5304455649 Frigidaire Refrigerator Screw |
| *69709 | COVER-DEFROST TIMER, TOP |
| *69711 | SHIELD-DEFROST TIMR,BTM |
| *69706 | 215474201 Frigidaire Refrigerator Washer |
| *69708 | WCI 218731102 |
| *69707 | SCREW-CONTROL BOX MTG,HEX HEAD ,8-15A X 1.000,REFR/FRZR |
| *69712 | 218710300 Frigidaire Refrigerator Water Filter Wrench |
| *69713 | WIRING HARNESS,FILTER HEATER |
| 2 | WCI 5303307883 |
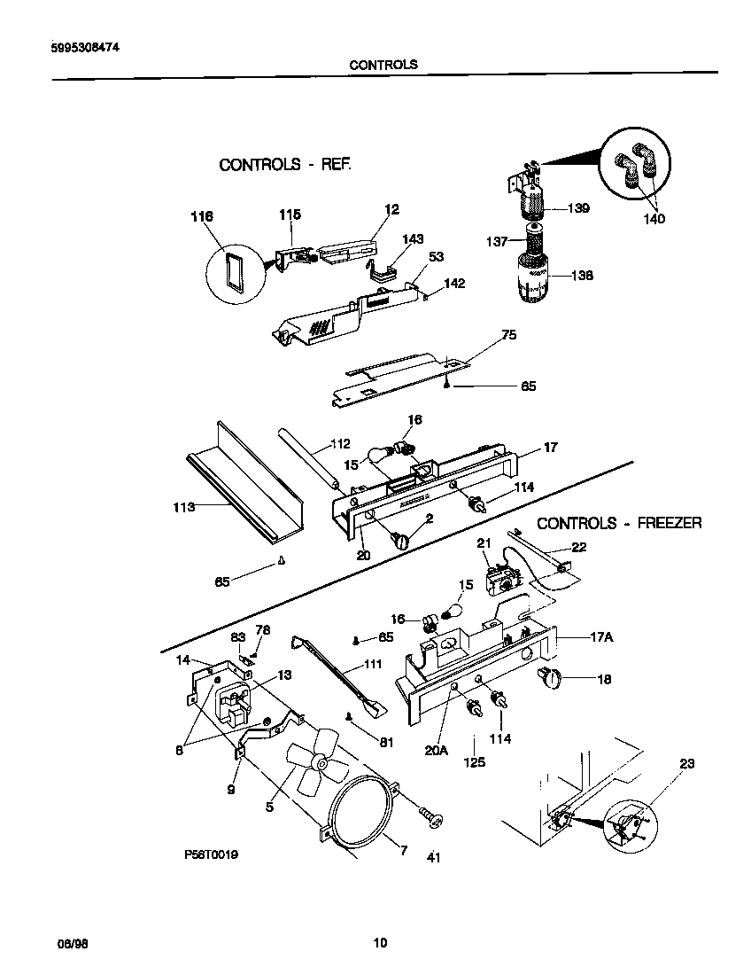
| 5 | 5308000010 Frigidaire Refrigerator Evaporator Fan Blade |
| 7 | RING-FAN ORIFICE |
| 8 | G187559 Frigidaire Refrigerator Bushing |
| 9 | WCI 5303205118 |
| 12 | WCI 215809600 |
| 13 | WCI 215426200 |
| 14 | BRACKET-MOTOR MTG, REAR |
| 15 | 316538904 Frigidaire Oven Lamp Light |
| 16 | 241559801 Frigidaire Light Socket Refrigerator |
| 17 | WCI 218468701 |
| 17 | CONTROL BOX, FRZR |
| 18 | WCI 5303307882 |
| 20 | WCI 5303307888 |
| 20 | WCI 5303307884 |
| 21 | WCI 5303300027 |
| 22 | WCI 5303319683 |
| 23 | 215846602 Frigidaire Refrigerator 8-Hour Defrost Timer |
| 41 | 5304455651 Frigidaire Refrigerator Screw |
| 53 | WCI 215809508 |
| 65 | WCI 5303001361 |
| 75 | WCI 218465101 |
| 81 | 5304455650 Frigidaire Refrigerator Screw |
| 83 | WCI 5308000107 |
| 111 | WCI 5303297842 |
| 112 | WCI 215277102 |
| 113 | COVER - DMPR ROD EXT |
| 114 | 5303289051 Frigidaire Refrigerator Light Switch |
| 115 | WCI 215011502 |
| 116 | WCI 215011400 |
| 137 | WCI 215334201 |
| 138 | WCI 218657401 |
| 139 | HOUSING-WTR FILTER |
| 140 | WCI 218518700 |
| 142 | WCI 218657701 |
| 143 | WCI 218696700 |