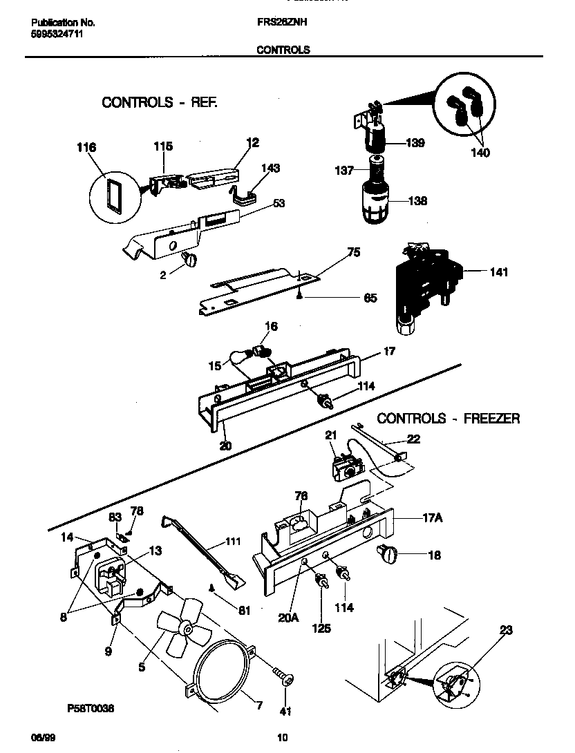
FRS26ZNHD0 06 – CONTROLS