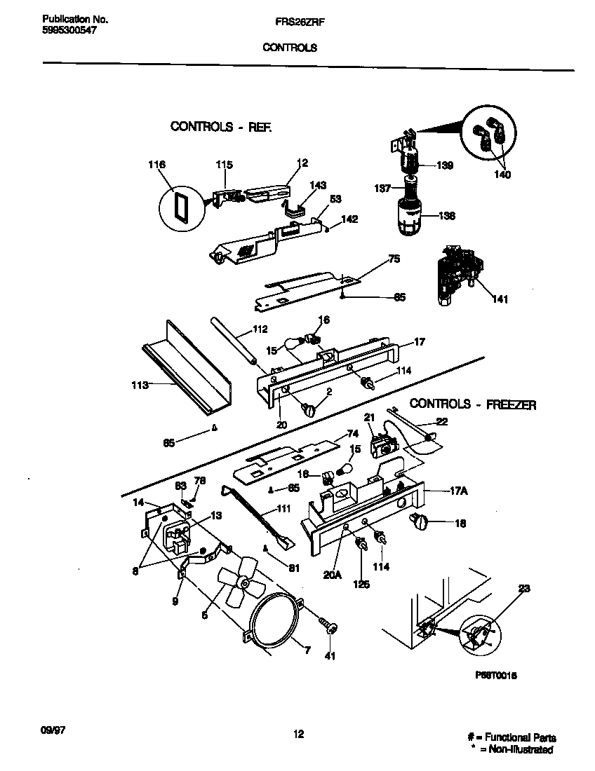
FRS26ZRFD2 06 – CONTROLS

FRS26ZRFD2 06 – CONTROLS