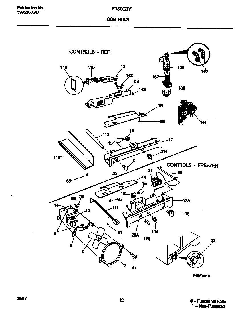
FRS26ZRFD3 06 – CONTROLS

FRS26ZRFD3 06 – CONTROLS